Three marks
Enlist register reference instructions and explain any one of them in detail.
Explain any three register reference instruction in detail.
Here's a list of register reference instructions:
- Load (LD)
- Store (ST)
- Add (ADD)
- Subtract (SUB)
- Multiply (MUL)
- Divide (DIV)
- Compare (CMP)
- Jump (JMP)
- Branch if Equal (BEQ)
- Branch if Not Equal (BNE)
-
Load (LD):
- The LD instruction fetches a value from memory and stores it into a register.
- It requires the memory address to be stored in another register.
- The LD instruction uses the address register to access the memory location and retrieve the value.
-
CMA (Complement Accumulator):
- Performs a bitwise complement operation on the value in the accumulator.
- Flips all the bits in the accumulator: 0 becomes 1, and 1 becomes 0.
- Useful for logical operations or inverting the bits of a value.
-
INC (Increment Accumulator):
- Increases the value in the accumulator by one.
- Adds 1 to the current value stored in the accumulator.
- Commonly used in counting operations or to iterate through a series of values.
-
CLA (Clear Accumulator):
- Resets the value of the accumulator register to zero.
- Used to initialize the accumulator before performing calculations.
- Clears any previous value stored in the accumulator.
What is RAM and ROM?
What is RAM and ROM?(summer-4)
RAM (Random Access Memory):
- RAM is a type of computer memory that allows data to be read from and written to.
- It provides temporary storage for data and instructions that the computer actively uses.
- RAM is volatile, meaning its contents are lost when the power is turned off.
- It is used for tasks like running programs, storing data being processed, and caching.
ROM (Read-Only Memory):
- ROM is a type of computer memory that stores permanent data and instructions.
- It contains pre-programmed instructions that cannot be modified or erased.
- ROM retains its contents even when the power is turned off.
- It is used to store firmware, boot-up instructions, and other essential system software.
- ROM provides non-volatile, permanent storage for critical data.
State differences between hardwired control unit and microprogrammed control unit.
| Hardwired Control Unit | Microprogrammed Control Unit | |
|---|---|---|
| Design Approach | Implemented using combinational logic gates and flip-flops | Implemented using microcode stored in memory |
| Flexibility | Less flexible | More flexible |
| Modification | Difficult to modify or change | Easy to modify or change |
| Complexity | Simple design, limited instructions | More complex design, supports more instructions |
| Development Time | Faster development process | Longer development process |
| Debugging | Difficult to debug | Easier to debug |
| Performance | Typically faster execution | Slightly slower execution due to microcode interpretation |
| Cost | Lower cost | Higher cost |
Write down RTL statements for the fetch and decode operation of basic computer.
Fetch Operation:
- MAR ← PC
- Move the value of the Program Counter (PC) register to the Memory Address Register (MAR).
- Read Memory
- Retrieve the instruction stored at the memory address specified by the MAR.
- IR ← Memory Data
- Transfer the fetched instruction from the memory data to the Instruction Register (IR).
- PC ← PC + 1
- Increment the Program Counter to prepare for the next instruction fetch.
Decode Operation:
- Opcode ← IR[15:12]
- Extract the opcode field (bits 15 to 12) from the Instruction Register (IR) and store it in the Opcode register.
- Operand1 ← IR[11:8]
- Extract the first operand field (bits 11 to 8) from the IR and store it in the Operand1 register.
- Operand2 ← IR[7:4]
- Extract the second operand field (bits 7 to 4) from the IR and store it in the Operand2 register.
What is binary and decimal equivalent of F8 hexadecimal value?
Binary Equivalent: The hexadecimal digit F is equal to the binary value 1111, and the digit 8 is equal to the binary value 1000. Combining these binary values, the binary equivalent of F8 is 11111000.
Decimal Equivalent: To convert the binary value 11111000 to decimal, we can use the positional notation of the binary system. Each digit in the binary number represents a power of 2.
Calculating the decimal equivalent:
= 128 + 64 + 32 + 16 + 8 + 0 + 0 + 0
= 248
Therefore, the binary equivalent of F8 is 11111000, and the decimal equivalent is 248.
What is arithmetic micro operation?
Arithmetic micro-operations are basic mathematical operations performed on binary numbers within a computer's CPU.

What is address sequencing? Explain.
- Address sequencing is the process of determining the next memory address to access during program execution.
- The current address indicates the location of the instruction or data being processed.
- Sequential access mode increments the current address by one to access the next sequential memory location.
- Jump or branch instructions can modify the address sequence, allowing the program to transfer control to different parts of the code.
- Indirect addressing involves accessing the next address from a register or memory location referenced by the current address.
- Addressing modes, such as direct, indirect, indexed, or relative addressing, provide flexibility in determining the next address based on program needs.
Address sequencing ensures instructions are executed in the correct order and facilitates efficient retrieval of data from memory during program execution.
Enlist different status bit conditions.
- Zero Condition (Z):
- Indicates whether the result of an operation is zero.
- Carry/Borrow Condition (C):
- Indicates whether a carry or borrow occurred during an arithmetic operation.
- Overflow Condition (V):
- Indicates whether an overflow occurred during a signed arithmetic operation.
- Sign Condition (N):
- Indicates the sign of the result of an operation.
- Auxiliary Carry Condition (AC):
- Used in specific operations involving binary-coded decimal (BCD) arithmetic.
Differentiate isolated I/O and memory mapped I/O.
| Isolated I/O | Memory-Mapped I/O | |
|---|---|---|
| Approach | Uses separate I/O instructions and ports | Treats I/O devices as memory addresses |
| Communication Method | Specific I/O instructions for data transfer | Memory read and write instructions |
| Addressing | I/O devices have unique addresses | I/O devices share memory addresses |
| CPU Connections | Requires dedicated pins or connectors | Uses existing memory bus connections |
| Programming | I/O operations handled separately | Unified approach for memory and I/O |
What is associative memory? Explain.

- The associative memory allows any location in the cache to store any word from the main memory.
- Each memory word in the cache is associated with an address value and the actual data it contains.
- The CPU provides a 15-bit address in the argument register and searches the associative memory for a matching address.
- If a match is found, the corresponding 12-bit data is read and sent to the CPU for processing.
- In case of no match, the main memory is accessed to retrieve the required word.
- The address-data pairs from the main memory are then transferred to the associative cache memory.
- If the cache is already full, a replacement policy, such as first-in, first-out (FIFO), is used to determine which address-data pair should be removed to make space for the new pair.
Write about Time-shared common bus interconnection structure.
Time-shared common bus interconnection structure is a computer system architecture that uses a shared bus to connect multiple devices for communication. Here's an overview of this interconnection structure:
-
Shared Bus: Devices are connected to a single shared bus, serving as a communication pathway.
-
Time Division Multiplexing (TDM): The bus time is divided into fixed time slots, allowing devices to take turns using the bus.
-
Time Slicing: Devices are allocated specific time slots during which they can transmit their data or control signals.
-
Bus Arbitration: Mechanisms resolve conflicts when multiple devices request bus access simultaneously.
-
Data and Control Transfer: Devices utilize the shared bus for data and control signal exchange.
Advantages:
- Efficient Utilization: Multiple devices can share the bus, maximizing resource utilization.
- Cost-Effectiveness: Shared bus reduces complexity and cost of interconnection.
- Flexibility: Devices dynamically access the bus based on their assigned time slots.
Limitations:
- Bus Contention: Simultaneous access attempts by multiple devices may cause delays or conflicts.
- Limited Bandwidth: Shared bus may result in restricted overall bandwidth for each device.
List down six major characteristics of RISC processors.
- Relatively few instructions
- Relatively few addressing modes
- Memory access limited to load and store instructions
- All operations done within the registers of the CPU
- Efficient instruction pipeline
- Single-cycle instruction execution
- Hardwired rather than micro programmed control
- A relatively large number of registers in the processor uni
List and explain major instruction pipeline conflicts.
-
Resource Conflicts:
- Insufficient hardware resources can lead to conflicts in the pipeline.
- Structural hazards occur when multiple instructions require the same resource simultaneously.
- Example: Memory access conflicts during instruction fetching.
-
Data Dependency Conflicts:
- Instructions depending on the results of previous instructions can cause conflicts.
- Data hazards occur when the pipeline stalls due to unavailable operands or conflicting data dependencies.
- Solutions: Hardware interlocks, operand forwarding, and delayed load techniques.
-
Branch Difficulties:
- Branching instructions disrupt the sequential flow of instructions.
- Control hazards are difficulties caused by branching instructions.
- Techniques: Timely detection, early branch address calculation, and early branch condition testing to handle control hazards.
Explain memory hierarchy in brief.
Draw and criticize memory hierarchy in a computer system.

- Memory hierarchy refers to the arrangement of different types of memory in a computer system, organized by speed and capacity.
- It is designed to balance performance and cost by utilizing different levels of memory.
- The hierarchy typically includes:
- Level-0 − Registers:
- Fastest and smallest storage units located within the CPU.
- Level-1 − Cache Memory:
- Small but fast memory placed between the CPU and main memory.
- Level-2 − Main Memory (RAM):
- Slower but larger memory used for program execution.
- Level-3 − Secondary Storage (HDD/SSD):
- Slower, high-capacity storage for long-term data storage.
- Level-4 − Tertiary Storage (Tapes/Discs):
- Even slower, very high-capacity storage used for archival and backup purposes.
Briefly explain DMA.
-
Direct Memory Access (DMA) is a technique used in computer systems to transfer data between peripherals and memory without involving the CPU for every data transfer.
-
DMA enables efficient and faster data transfers by allowing peripherals (such as hard drives, network cards, or sound cards) to directly access the computer's memory.
-
The primary purpose of DMA is to offload data transfer tasks from the CPU, freeing it up for other computations and improving overall system performance.
-
DMA works by utilizing a DMA controller, a specialized hardware component that coordinates and manages the data transfer between the peripheral and memory.
-
The DMA controller takes over control of the system bus temporarily, transferring data directly between the peripheral and memory, bypassing the CPU.
How many AND gates and Adders will be required to multiply a 5 bit number with a 3 bit number? Also say size of adder (bits). How many bits will be there in the result?
- Number of AND Gates: 15 (5 bits multiplied by 3 bits)
- Size of Adder: 5-bit adder (required for the largest operand)
- Number of Adders: 5 (one for each bit of the 5-bit number)
- Result Size: 8 bits (5 bits from the multiplicand and 3 bits from the multiplier)
Explain the non-restoring methods for dividing two numbers.
- Initialize the registers:
- Set Q (quotient) to the dividend, M (divisor) to the divisor, A (accumulator) to 0, and determine the number of bits in the dividend (n).
- Check the sign bit of A:
- If it is 1, perform a left shift on AQ (accumulator and quotient) and add M to A.
- If it is 0, perform a left shift on AQ and subtract M from A (by adding the 2's complement of M).
- Check the sign bit of A again:
- If it is 1, set Q[0] (the least significant bit of Q) to 0.
- If it is 0, set Q[0] to 1.
-
Decrement the value of n by 1.
-
If n is not zero, go back to Step 2 and repeat the process.
-
If n is zero, perform a final check on the sign bit of A:
- If it is 1, perform A = A + M.
- Register Q now contains the quotient, and A contains the remainder.
The non-restoring division method involves shifting the dividend and performing addition or subtraction operations based on the sign bit of the accumulator. The process is repeated until all bits of the dividend are processed, resulting in the quotient and remainder.
List out Register for basic computer.
- Accumulator
- Program Counter (PC)
- Instruction Register (IR)
- Memory Address Register (MAR)
- Memory Data Register (MDR)
- Stack Pointer
- Index Registers
- Condition Codes
- Input/Output Registers
- General-Purpose Registers
Draw and explain control unit diagram for basic computer.

The control memory out of each subfield must be decoded to provide the distinct micro operations. The outputs of the decoders are connected to the appropriate inputs in the processor unit.
- The figure illustrates a circuit configuration using three decoders and their connections to initiate microoperations based on the fields of a microinstruction.
- A 3x8 decoder is used to decode the three fields of the microinstruction, providing eight outputs.
- The outputs of the decoder are connected to the corresponding circuits that execute specific microoperations.
- For example, when the decoded output F1 is 101 (binary 5), there is a transfer of data from the DR (Data Register) to the AR (Address Register).
- The connections between the decoder outputs and the load input of the AR enable the transfer of information from the DR or PC (Program Counter) to the AR based on the active output of the decoder. Multiplexers are used to select the source of information.
Explain register stack.
- A register stack is a storage mechanism implemented using a group of registers organized like a stack.
- It follows the Last-In-First-Out (LIFO) principle, where the last value stored is the first one retrieved.
- The stack has two main operations: push (addition) and pop (removal).
- Push adds a value to the top of the stack, while pop removes and retrieves the topmost value.
- The stack pointer keeps track of the top position in the stack.
- Register stacks are commonly used for storing temporary values and managing program execution flow.
- They are helpful for function calls, managing nested subroutines, and local variable storage.
- Register stacks provide an efficient way to manage data storage and retrieval within a computer system.
What is difference between direct and indirect addressing mode?
| Direct Addressing | Indirect Addressing | |
|---|---|---|
| Definition | Memory address is directly specified in the instruction | Memory address is stored in a register |
| Accessing Data | Data is accessed directly at the specified memory address | Data is accessed at the memory address stored in a register |
| Flexibility | Limited flexibility | More flexibility |
| Code Size | Requires more code size | Requires less code size |
| Memory Access | Involves direct memory access | Requires an additional register access |
| Usage | Suitable for fixed memory locations | Suitable for dynamic memory allocation or accessing data structures |
| Indirection | No indirection involved | Involves indirection through a register |
| Address Calculation | No calculation required for memory address | Register can be modified or calculated |
| Examples | MOV A, [1000] | MOV A, [R1] |
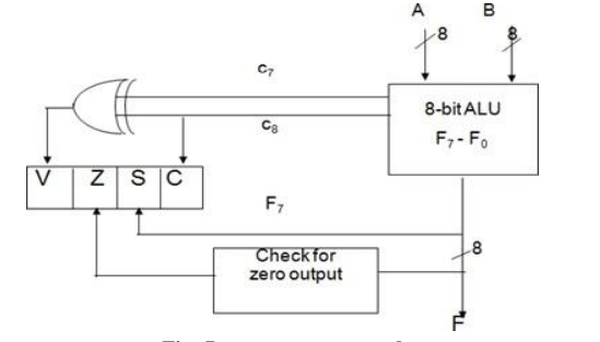
What is PSW? Explain each bit of it
The Program Status Word or PSW is a collection of data 8 bytes (or 64 bits) long, maintained by the operating system. It keeps track of the current state of the system.

Figure shows the block diagram of an 8-bit ALU with a 4-bit status register. The four status bits are symbolized by C, S, Z, and V. The bits are set or cleared as a result of an operation performed in the ALU.
- Bit C is set to 1 if the end carry C8 is 1, and cleared to 0 if the carry is 0.
- Bit S is set to 1 if the highest-order bit F7 is 1, and set to 0 if it is 0.
- Bit Z is set to 1 if the output of the ALU is zero, and cleared to 0 otherwise.
- Bit V is set to 1 if there is an overflow in signed arithmetic, and cleared to 0 otherwise.
- The status bits can be used to check relationships between the values of A and B, such as overflow or equality.
- The Z status bit can be used to check if a specific bit in A is 0 or 1 by masking the other bits.
State the differences between hardwired control and micro programmed control.
| Hardwired Control | Microprogrammed Control | |
|---|---|---|
| Implementation | Combinational logic circuits and gates | Microinstructions stored in control memory |
| Flexibility | Limited flexibility | High flexibility |
| Complexity | More complex design | Less complex design |
| Design Time | Longer design time | Shorter design time |
| Modifications | Physical changes required for modifications | Modifications done by rewriting microinstructions |
| Instruction Set | Limited instruction set | Larger instruction set is possible |
| Debugging | Difficult to debug and make changes | Easier to debug and make changes using microinstructions |
| Hardware Requirement | Requires more hardware components | Requires less hardware components |
| Cost | More expensive | Less expensive |
Differentiate assembly language and machine language.
| Assembly Language | Machine Language | |
|---|---|---|
| Human Readability | Relatively easier for humans to read and understand | Difficult for humans to read and understand |
| Representation | Uses mnemonics and symbols to represent instructions | Uses binary code to represent instructions |
| Level of Abstraction | Higher level of abstraction than machine language | Lowest level of abstraction, directly machine-executable |
| Programmer's Input | Written by humans | Generated by assemblers or compilers from higher-level languages |
| Programming Ease | More user-friendly, closer to natural language | Less user-friendly, more challenging to work with |
| Portability | Not portable across different processor architectures without modification | Not portable, specific to the target processor architecture |
| Programming Speed | Generally faster to write programs in assembly language compared to machine language | Requires more effort and time to write programs directly in machine language |
| Maintainability | Easier to maintain and modify code | Difficult to maintain and modify code directly |
List out names of eight main registers of basic computer with their symbolic name and purpose.

State the major characteristics of CISC processor
CISC processors are designed to handle complex instructions and have the following characteristics:
- Large Instruction Set:
- CISC processors have a wide range of instructions that can perform multiple complex operations in a single instruction.
- Variable-Length Instructions:
- Instructions in CISC processors can vary in length, allowing for flexibility in encoding complex operations and addressing modes.
- Memory-to-Memory Operations:
- CISC processors can directly operate on data stored in memory, reducing the need to transfer data to registers first.
- Microcode Implementation:
- CISC processors use microcode, a low-level software layer, to execute complex instructions by breaking them down into simpler micro-operations.
- Hardware-Based Control:
- CISC processors have complex control units responsible for managing instruction execution, resource allocation, and data flow within the processor.
- Instruction Encoding Efficiency:
- CISC processors optimize instruction encoding by using different addressing modes and supporting operations on multiple operands simultaneously.
- Backward Compatibility:
- CISC architectures ensure compatibility with older versions, allowing newer processors to execute instructions from previous generations.
In summary, CISC processors focus on a rich and diverse instruction set to execute complex operations efficiently. However, modern processors often adopt RISC or hybrid architectures for better performance and power efficiency.
Define followings: 1. Control Memory 2. Control Word 3. Control Address Register
- Control Memory:
- Control Memory is a special type of memory that stores control information or microinstructions.
- It contains a set of control signals that direct the operations of a computer's central processing unit (CPU).
- Control Memory is responsible for coordinating and sequencing the execution of instructions and controlling the flow of data within the computer system.
- Control Word:
- A Control Word is a binary pattern or a group of bits that represents the control signals required to execute a specific operation or instruction.
- It is typically used in the context of microprogramming or microinstructions.
- It defines the control flow and behavior of the CPU during the execution of an instruction.
- Control Address Register:
- Control Address Register (CAR) is a register that holds the memory address of the next control word to be fetched from the Control Memory.
- It is used in microprogram sequencing to determine the next microinstruction to be executed.
- The Control Address Register helps in maintaining the order and flow of microinstructions.
What is address sequencing? Explain.
-
Address sequencing determines the order in which memory addresses are accessed during program execution.
-
Address sequencing enables sequential execution of instructions, fetching them from consecutive memory addresses.
-
Address sequencing handles branching and jumps, determining the new memory address to fetch instructions from based on the branching condition or target address.
-
It supports looping and iteration by directing the program flow back to a specific memory address.
-
Address sequencing manages subroutine calls, transferring control to a specific memory address for executing a separate set of instructions and ensuring the program flow returns to the correct address after the subroutine execution.
What is the importance of virtual memory?
The importance of virtual memory in computer systems can be summarized as follows:
- Memory Expansion:
- Virtual memory allows for memory expansion beyond the physical RAM capacity of a computer.
- Efficient Memory Management:
- Virtual memory enables efficient memory management by dividing the logical address space of a program into smaller, manageable units called pages.
- Memory Isolation:
- Virtual memory provides memory isolation between different processes or programs running concurrently.
- Simplified Programming:
- Virtual memory simplifies programming by abstracting the physical memory details from the programmer.
- Memory Sharing:
- Virtual memory facilitates memory sharing between multiple processes or instances of the same program.
- Swapping and Paging:
- Virtual memory utilizes techniques like swapping and paging to transfer data between the physical memory and disk.
- Memory Protection:
- Virtual memory provides memory protection mechanisms, such as read-only and no-execution permissions, to
What is cache coherence? Describe.
Cache coherence refers to the consistency of data stored in multiple caches that are part of a shared memory system.
-
Shared Memory Systems: In a shared memory system, multiple processors or cores have their own caches to store frequently accessed data and reduce memory access latency.
-
Consistency Challenge: When multiple caches store copies of the same data, ensuring consistency becomes crucial. Changes made by one processor should be visible to other processors to avoid data inconsistencies.
-
Cache Coherence: Cache coherence ensures that all caches have a consistent view of shared data. It maintains the illusion of a single, unified memory system for all processors or cores.
-
Preventing Inconsistencies: Cache coherence prevents race conditions and data inconsistencies that can occur when multiple processors operate on the same shared data.
Use BSA and BUN instruction with example and diagram.

Interpret the following instructions: INP, ISZ and LDA
- INP (Input):
- INP is an instruction used in programming to read input from a specified source, typically from a user or an external device.
- It allows a program to receive data or information that can be used for processing or further manipulation.
- Example:
- ISZ (Increment and Skip if Zero):
- These instruction increments the word specified by the effective address, and if the incremented value is equal to 0, PC is incremented by 1. Since it is not possible to increment a word inside the memory, it is necessary to read the word into DR, increment DR, and store the word back into memory.
- Example:
D6T4: DR < -- M[AR]
D6T5: DR < -- DR + 1
D6T4: M[AR] < -- DR, if (DR = 0) then (PC < -- PC + 1), SC < -- 0
- LDA (Load to AC ):
- This instruction transfers the memory word specified by the effective address to AC.
- Example:
D2T4: DR < -- M[AR]
D2T5: AC < -- DR, SC < -- 0
Sketch Microinstruction code format. Quote BR and CD field in brief.

Certainly! Here's a single point for each field:
-
BR (Branch) Field:
- Specifies a branch or jump to a different location in the program's execution flow.
-
CD (Condition) Field:
- Defines conditions or criteria that determine the behavior of an instruction.
Four marks
Explain register stack and memory stack.
Register Stack:
- A register stack is a specialized area of high-speed memory within a processor.
- It operates using a Last-In-First-Out (LIFO) structure.
- It uses dedicated registers called stack pointers to keep track of the current top of the stack.
- The stack supports two fundamental operations: push (addition) and pop (removal).
- The stack is used to store temporary data, return addresses, and local variables.
- It provides fast access and efficient support for nested subroutine calls and local variable allocation.
Memory Stack:
- A memory stack is a portion of memory allocated by a program during execution.
- It manages subroutine calls, function return addresses, and local variables.
- The memory stack follows the LIFO principle like a register stack.
- It is managed by the program through a stack pointer.
- The stack pointer holds the address of the current top of the stack.
- Stack operations include pushing (decrementing stack pointer and storing data) and popping (retrieving data and incrementing stack pointer).
- The memory stack is essential for program flow, function calls, local variable management, and program execution control.
What is combinational circuit? Explain multiplexer in detail. How many NAND gates are needed to implement 4 x 1 MUX?
Combinational Circuit: A combinational circuit is a digital circuit where the output is solely determined by the current inputs, without any regard to the previous inputs or circuit state. In other words, the output of a combinational circuit is a function of the present input values only, and there are no feedback paths or memory elements.
Multiplexer (MUX): A multiplexer, commonly referred to as MUX, is a combinational circuit that selects one of many input signals and routes it to a single output line based on a set of selection inputs. It acts like a digital switch, allowing the connection of one input to the output at a time, determined by the selection inputs.
A multiplexer typically has two sets of inputs: data inputs and selection inputs. The number of data inputs is 2^n, where n is the number of selection inputs, often called control lines. The selection inputs determine which data input is connected to the output. The output of the MUX is the selected data input.
The working principle of a multiplexer can be explained using a 4x1 MUX as an example. A 4x1 MUX has four data inputs (D0, D1, D2, D3), two selection inputs (S0, S1), and one output (Y). The selection inputs (S0, S1) determine which data input is connected to the output (Y). The possible combinations of the selection inputs determine which data input is selected. Here's the truth table for a 4x1 MUX:
S1 | S0 || Y
---|----||---
0 | 0 || D0
0 | 1 || D1
1 | 0 || D2
1 | 1 || D3
To implement a 4x1 MUX using NAND gates, we can use the following steps:
- Use NAND gates to implement the NOT function.
- Use the NOT gates to invert the selection inputs (S0, S1).
- Use the inverted selection inputs to generate the AND terms for each data input.
- Use NAND gates to perform the AND operation between the inverted selection inputs and the data inputs.
- Combine the outputs of the NAND gates using additional NAND gates to produce the final output.
The number of NAND gates required to implement a 4x1 MUX using NAND gates can vary depending on the specific design and implementation approach. However, a 4x1 MUX can be implemented using 8 NAND gates in a straightforward manner.
One hypothetical basic computer has the following specifications: Addressing Mods = 16 Total Instruction Types = 4 (IT1, IT2, IT3, IT4) Each of the instruction type has 16 different instructions. Total General-Purpose Register = 8 Size of Memory = 8192 X 8 bits Maximum number of clock cycles required to execute one instruction = 32 Each instruction of the basic computer has one memory operand and one register operand in addition to other required fields. a. Draw the instruction word format and indicate the number of bits in each part. b. Draw the block diagram of control unit.
Define pipelining. For arithmetic operation (Ai *Bi + Ci) with a stream of seven numbers (i=1 to 7). Specify a pipeline configuration to carry out this task.
Pipelining is a technique used in computer processors to increase instruction throughput and overall performance. It involves breaking down the execution of instructions into multiple stages, allowing multiple instructions to be processed simultaneously. Each stage performs a specific task, and instructions move through the pipeline one stage at a time.
For the arithmetic operation (Ai * Bi + Ci) with a stream of seven numbers (i=1 to 7), we can design a pipeline configuration with the following stages:
-
Fetch Stage: Fetches the instructions from memory and prepares them for execution.
-
Decode Stage: Decodes the instructions and extracts the necessary operands (Ai, Bi, Ci).
-
Multiply Stage: Multiplies Ai and Bi to calculate the intermediate product.
-
Add Stage: Adds the intermediate product with Ci to produce the final result.
-
Write-back Stage: Stores the result in the designated memory location or register.
The pipeline configuration for this task would involve setting up the pipeline stages as described above and ensuring a smooth flow of instructions through each stage. The output of one stage serves as the input to the next stage, allowing concurrent execution of multiple instructions.
The pipeline would operate as follows:
-
In the fetch stage, the instructions (Ai * Bi + Ci) are fetched from memory and fed into the pipeline.
-
In the decode stage, the instructions are decoded, and the operands (Ai, Bi, Ci) are extracted.
-
In the multiply stage, the Ai and Bi operands are multiplied to produce the intermediate products.
-
In the add stage, the intermediate products are added to Ci to obtain the final results.
-
In the write-back stage, the results are stored in the designated memory location or register.
Write Steps for two n digit numbers subtraction in base r.
- Start from the rightmost digit of both numbers.
- Subtract the digits at the same position, taking into account any borrow from the previous subtraction.
- If the result of subtraction is negative, add the base (r) to the result and borrow 1 from the next higher position.
- Repeat steps 2 and 3 for each pair of corresponding digits from right to left until all digits have been processed.
- If there is a leftover borrow after the last subtraction, it should be accounted for in the leftmost digit.
- The resulting digits from each subtraction form the digits of the final subtraction result.
- The final subtraction result may have leading zeroes if the number being subtracted is larger than the number it is being subtracted from.
- If necessary, perform any necessary conversions or adjustments to the final result based on the specific requirements of the base (r) system.
Differentiate between paging and segmentation techniques used in virtual memory.
| Paging | Segmentation | |
|---|---|---|
| Memory Organization | Divides memory into fixed-size pages | Divides memory into variable-sized segments |
| Page Size | Equal-sized pages typically ranging from 4 KB to 64 KB | Variable-sized segments based on program requirements |
| Address Translation | Logical addresses divided into page number and offset | Logical addresses divided into segment number and offset |
| Memory Allocation | Pages allocated and managed in a contiguous manner | Segments allocated and managed in a non-contiguous manner |
| Fragmentation | Internal fragmentation may occur | External fragmentation may occur |
| Sharing | Easy to share pages between processes | More complex sharing due to different segment sizes |
| Protection | Protection achieved through page table permissions | Protection achieved through segment permissions |
| Memory Management Overhead | Relatively low overhead in managing page tables | Higher overhead due to managing segment tables |
Explain the working of Direct Memory Access (DMA).
Direct Memory Access (DMA) is a feature in computer systems that allows data to be transferred between devices and memory without involving the CPU. It offloads the data transfer tasks from the CPU, thereby improving overall system performance. Here's a simplified explanation of how DMA works:
-
Initialization: The CPU sets up the DMA controller with the necessary configuration parameters. This includes specifying the source and destination memory addresses, transfer size, and other control settings.
-
Request by Device: When a peripheral device (such as a hard drive or network card) needs to transfer data to or from memory, it sends a request to the DMA controller.
-
DMA Controller Authorization: The DMA controller checks the availability of the system bus and grants access if it's not being used by the CPU or other DMA transfers.
-
Bus Control: Once authorized, the DMA controller gains control of the system bus and temporarily interrupts the CPU's access to the bus.
-
Transfer Setup: The DMA controller configures the memory address registers, transfer count registers, and any other necessary control registers.
-
Data Transfer: The DMA controller initiates the actual data transfer between the device and memory. It transfers data directly to or from memory without involving the CPU. This is typically done in blocks or bursts to optimize performance.
-
Interrupt or Notification: After completing the data transfer, the DMA controller generates an interrupt signal to notify the CPU that the transfer has finished. This allows the CPU to perform any necessary post-processing or handle the transferred data.
-
Bus Release: Once the data transfer is complete and the interrupt has been serviced, the DMA controller releases control of the system bus, allowing the CPU or other devices to resume their normal operations.
Explain how (r-1)’s complement is calculated. Calculate 9’s complement of 546700.
The (r-1)'s complement is a way of representing the negative value of a number in radix (or base) r. In this complement, the number is subtracted from the largest number that can be represented in that radix (r-1).
To calculate the (r-1)'s complement of a number, you follow these steps:
-
Determine the radix (r) of the number system you are working with. For example, if you are working with a decimal system, the radix is 10.
-
Subtract each digit of the number from (r-1). In other words, subtract each digit from 9 for decimal system (10-1).
-
Carry forward any borrows to the next higher significant digit.
-
The result obtained after subtraction is the (r-1)'s complement of the original number.
Now, let's calculate the 9's complement of 546700:
-
Since we are working with a decimal system, the radix (r) is 10.
-
Subtract each digit from 9: 9 - 5 = 4 9 - 4 = 5 9 - 6 = 3 9 - 7 = 2 9 - 0 = 9 9 - 0 = 9
-
There are no borrows in this case.
-
The 9's complement of 546700 is 453299.
So, the 9's complement of 546700 is 453299.
What is difference between two address and three address instructions?
| Two-Address Instructions | Three-Address Instructions | |
|---|---|---|
| Operand Count | Two operands: source and destination | Three operands: two sources and one destination |
| Result Storage | Result stored in destination operand | Result stored in designated destination operand |
| Flexibility | Limited flexibility for simpler operations | Greater flexibility for complex operations |
| Instruction Format | More compact instruction format | May require more bits for additional operand |
| Code Size | Two-address instructions may result in smaller code size | Three-address instructions may require larger code size |
| Register Usage | Requires fewer registers for operands | May require more registers for additional operands |
| Instruction Parallelism | Limited opportunities for instruction-level parallelism | More potential for parallel execution with multiple independent operands |
What do you mean by cache memory? Justify the need of cache memory in computer systems.
Cache memory is a small, high-speed memory located between the CPU and main memory in a computer system. Its purpose is to store frequently accessed data and instructions, providing faster access compared to the slower main memory.
Justification for the need of cache memory in computer systems:
- Speed Mismatch: Cache memory bridges the speed gap between the fast CPU and slower main memory, reducing the average access time.
- Performance Improvement: Storing frequently accessed data closer to the CPU reduces wait times and improves system performance.
- Locality of Reference: Cache memory exploits the locality of reference by storing recently accessed data, ensuring quick access to frequently used data.
- Reduced Memory Traffic: Retrieving data from cache instead of main memory reduces memory requests and eases the load on system components.
- Cost-Effectiveness: Cache memory balances cost and performance by optimizing the use of expensive, high-speed memory alongside lower-cost main memory.
- Hierarchy of Memory: Cache memory is part of a memory hierarchy, allowing for multiple levels of caching to further enhance performance.
Discuss source-initiated transfer using handshaking in asynchronous data transfer.
Source-initiated transfer using handshaking is a method of asynchronous data transfer between two devices, typically involving a sender (source) and a receiver. Handshaking refers to the exchange of control signals between the devices to coordinate and synchronize the data transfer. Here's a discussion of source-initiated transfer using handshaking in asynchronous data transfer:
-
Initialization: The source device initiates the data transfer by asserting a control signal (such as a request signal) to indicate its readiness to send data.
-
Receiver Response: Upon receiving the request signal, the receiver device acknowledges the request by asserting a control signal (such as an acknowledge signal). This indicates that the receiver is ready to receive data.
-
Data Transmission: Once the receiver sends the acknowledge signal, the source starts transmitting the data. The data is typically sent using a serial format, bit by bit or in chunks depending on the protocol.
-
Handshake Confirmation: As the data is received, the receiver sends a confirmation signal (such as a ready signal) to the source, indicating that it has successfully received the data.
-
Transfer Completion: Upon receiving the confirmation signal, the source device knows that the data has been successfully received by the receiver. The source can then complete the transfer or proceed with the next data transfer, depending on the application's requirements.
-
Error Handling: Handshaking protocols often include mechanisms for error detection and handling. For example, parity or checksum bits may be used to verify the integrity of the data during transmission. If an error is detected, appropriate error recovery techniques can be employed.
-
Flow Control: Handshaking also facilitates flow control between the source and receiver. Control signals, such as flow control signals, can be exchanged to regulate the data transfer rate and prevent data overflow or underflow conditions.
Source-initiated transfer using handshaking is commonly used in various communication protocols and interfaces, such as serial communication (e.g., UART), I2C, and SPI. It enables efficient and reliable asynchronous data transfer between devices by ensuring proper coordination and synchronization through the exchange of control signals.
Design a simple arithmetic circuit which should implement the following operations: Assume A and B are 3 bit registers. Add : A+B, Add with Carry: A+B+1, Subtract: A+B’, Subtract with Borrow: A+B’+1, Increment A: A+1, Decrement A: A-1, Transfer A: A
Define RTL. Give block diagram and timing diagram of transfer of R1 to R2 when P=1.
RTL (Register Transfer Level) is a hardware description language abstraction level that represents digital circuits in terms of data transfers between registers.
~> Darshan 01/01 - 2
Explain register reference instruction format.
Certainly! Here's an expanded explanation of the register reference instruction format with an example:
Register reference instruction format is a type of instruction format used in computer architectures. It allows operands to be specified as registers rather than memory addresses. The format typically consists of the following components:
- Opcode: Specifies the operation to be performed, such as add, subtract, move, or compare.
- Source Register: Specifies the register containing the operand to be used as the source for the operation.
- Destination Register: Specifies the register where the result of the operation will be stored.
Example: MOV A, B
In this example, the instruction "MOV" stands for move, and it is a register reference instruction. It copies the contents of register B into register A. Here's a breakdown of the instruction format:
- Opcode: "MOV" specifies the move operation.
- Source Register: "B" indicates that the source operand is in register B.
- Destination Register: "A" specifies that the result will be stored in register A.
The instruction "MOV A, B" transfers the contents of register B to register A. It is commonly used for data transfer or assignment operations.
The register reference instruction format provides direct access to registers, enabling faster execution and reducing memory access time. It is particularly useful in architectures with a large number of general-purpose registers, as it allows for efficient use of these registers in computation and data manipulation operations.
Write assembly language program to add two numbers.
Certainly! Here's the formatted version of the assembly-level program to subtract two given numbers:
Algorithm:
1. Load the first number from memory location 2050 to accumulator.
2. Move the content of the accumulator to register H.
3. Load the second number from memory location 2051 to the accumulator.
4. Add the content of register H and accumulator using the "ADD" instruction and store the result at memory location 3050.
5. Recover the carry using the "ADC" instruction and store it at memory location 3051.
Program:
Memory Address | Mnemonics | Comment
--------------------------------------------------
2000 | LDA 2050 | A <- [2050]
2003 | MOV H, A | H <- A
2004 | LDA 2051 | A <- [2051]
2007 | ADD H | A <- A + H
2008 | MOV L, A | L <- A
2009 | MVI A 00 | A <- 00
200B | ADC A | A <- A + A + carry
200C | MOV H, A | H <- A
200D | SHLD 3050 | H -> [3051], L -> [3050]
2010 | HLT |
In this program, the first number is assumed to be stored at memory location 2050, and the second number is assumed to be stored at memory location 2051. The result of the subtraction is stored at memory locations 3050 (L) and 3051 (H). The program starts at memory address 2000 and ends with the HLT instruction at memory address 2010.
Write assembly language program to subtract one number from other number.
Write assembly level program to subtract two given numbers.
Certainly! Here's the program formatted with simplified and easy-to-understand instructions:
Algorithm:
1. Load 00 into register C (for borrow).
2. Load two 8-bit numbers from memory into registers.
3. Move the first number to the accumulator.
4. Subtract the second number from the accumulator.
5. If there is no borrow, go to step 7.
6. Increment the register for borrow by 1.
7. Store the content of the accumulator in memory.
8. Move the content of the register into the accumulator.
9. Store the content of the accumulator in another memory location.
10. Stop.
Program:
Memory Address | Mnemonics | Operands | Comment
--------------------------------------------------------------
2000 | MVI C, 00 | [C] <- 00 | Load 00 in register C (for borrow)
2002 | LHLD 2500 | [H-L] <- [2500] | Load two 8-bit numbers from memory into registers
2005 | MOV A, H | [A] <- [H] | Move the first number to the accumulator
2006 | SUB L | [A] <- [A] - [L] | Subtract the second number from the accumulator
2007 | JNC 200B | Jump if no borrow | If there is no borrow, go to step 7
200A | INR C | [C] <- [C] + 1 | Increment the register for borrow by 1
200B | STA 2502 | [A] -> [2502] | Store the content of the accumulator in memory (Result)
200E | MOV A, C | [A] <- [C] | Move the content of the register into the accumulator
2010 | STA 2503 | [A] -> [2503] | Store the content of the accumulator in memory (Borrow)
2013 | HLT | Stop | Stop the program
In this program, we assume that the two 8-bit numbers are stored in memory locations 2500 and 2501. The result will be stored in memory location 2502 (Result), and the borrow will be stored in memory location 2503 (Borrow). The program starts at memory address 2000 and ends with the HLT instruction at memory address 2013.
Write ALP for addition of 10 numbers
Write an Assembly level program for addition of 50 numbers.
Algorithm:
- Initialize the accumulator (A) to 0.
- Initialize the counter (C) to 10.
- Load the first number into the accumulator.
- Decrement the counter by 1.
- Add the next number to the accumulator.
- Repeat steps 4 and 5 until all 10 numbers are added.
- Store the final result in memory or display it.
- Stop.
Program:
| Memory | Mnemonics | Operands | Comment |
|---|---|---|---|
| 2000 | MVI A | 00 | Initialize accumulator to 0 |
| 2002 | MVI C | 0A | Initialize counter to 10 |
| 2004 | LOOP | Loop start | |
| 2005 | ADD B | Add number B to accumulator (A) | |
| 2006 | DCR C | Decrement counter (C) | |
| 2007 | JNZ LOOP | 2005 | Jump to LOOP if counter is not zero |
| 200A | STA 3000H | Store result at memory location 3000H | |
| 200D | HLT | Stop |
In this program, B represents the memory locations where the 10 numbers are stored, starting from B, B+1, B+2, and so on. Adjust the memory addresses accordingly.
Explain hardware implementation of common bus system using three- State buffers. Mention assumptions if required.
The hardware implementation of a common bus system using three-state buffers is a common approach in computer architectures. It allows for the efficient sharing of a single communication pathway among multiple components. Here's an explanation of the hardware implementation using three-state buffers:
Assumptions:
- We assume a simplified system with three components: a CPU, memory, and input/output (I/O) devices.
- Each component has its own dedicated bus interface for connecting to the common bus.
Hardware Components: Certainly! Here's a simplified explanation of the hardware implementation of a common bus system using three-state buffers:
-
Common Bus: It is a shared communication pathway for transferring data and control signals between components.
-
Three-State Buffers: They are used at each component's bus interface to control data flow onto the common bus.
-
Control Logic: It coordinates component operations and controls the enabling/disabling of three-state buffers.
Operation Steps:
-
Data Transfer Request: Components send a request signal to the control logic when they want to transfer data onto the bus.
-
Bus Arbitration: The control logic grants bus access based on priority, ensuring fair sharing among components.
-
Enable Three-State Buffers: The control logic enables buffers of the requesting component while disabling others to prevent conflicts.
-
Data Transfer: The requesting component drives its data onto the bus using the enabled three-state buffers.
-
Data Reception: The receiving component reads data from the bus through its own set of enabled three-state buffers.
-
Control Signal Transfer: Control signals, like addresses and commands, are also transferred through the common bus using three-state buffers.
-
Bus Release: After data transfer, the control logic disables the requesting component's buffers, allowing other components to access the bus.
Describe BUN and BSA memory reference instructions in detail.
BUN (Branch Unconditionally) and BSA (Branch and Save Address) are memory reference instructions commonly used in computer architectures for controlling program flow:
-
BUN (Branch Unconditionally):
- BUN is a memory reference instruction that allows for unconditional branching or jumping to a specified memory address.
- It is used to alter the normal sequential execution of instructions and transfer control to a different part of the program.
- The BUN instruction consists of an opcode (indicating the operation) and an address field (specifying the target memory address).
- When the BUN instruction is executed, the program counter (PC) is loaded with the specified memory address, causing the program to jump to that location and continue execution from there.
- BUN is useful for implementing loops, subroutines, and other program control structures that require non-sequential execution.
-
BSA (Branch and Save Address):
- BSA is a memory reference instruction that combines branching and saving the return address for subroutine calls.
- It is used to transfer control to a specific memory address (subroutine) while also saving the current address for returning after the subroutine execution.
- The BSA instruction is similar to the BUN instruction but includes an additional operation of saving the return address.
- When the BSA instruction is executed, the current program counter (PC) value is stored in a designated register or memory location (known as the return address register or stack).
- After saving the return address, the program counter is loaded with the specified memory address, causing the program to jump to the subroutine code.
- Once the subroutine completes execution, the return address is retrieved from the register or stack and loaded back into the program counter, allowing the program to continue from where it left off.
What is addressing mode? Explain direct and indirect addressing mode with example.
Summarize following addressing modes with example. 1) Implied mode 2) Register mode
List various types of addressing modes and explain any four of them.
Certainly! Here's a simplified version of the various addressing modes, followed by an explanation of four of them:
- Implied mode
- Immediate mode
- Register mode
- Register indirect mode
- Autoincrement or autodecrement mode
- Direct address mode
- Indirect address mode
- Relative address mode
- Indexed addressing mode
- Base register addressing mode
Explanation of four addressing modes:
- Immediate mode:
- Operand is specified directly within the instruction.
- Example: ADD R1, #5 (Adds the immediate value 5 to the content of register R1).
- Register mode:
- Operand is specified using a register.
- Example: ADD R1, R2 (Adds the content of register R2 to the content of register R1).
- Register indirect mode:
- Instruction specifies a register whose contents give the memory address of the operand.
- The memory address is obtained from the register.
- Example: ADD R1, [R2] (Adds the content of the memory location pointed to by register R2 to the content of register R1).
- Direct address mode:
- Effective address is equal to the address part of the instruction.
- The operand resides in memory, and its address is given directly by the address field of the instruction.
- Example: LOAD R1, [500] (Loads the content of memory location 500 into register R1).
- Implied mode:
- In this mode, the operand is not explicitly specified in the instruction.
- The instruction operates on a predefined register or memory location.
- The operand is implied by the instruction's opcode.
- Implied mode instructions are used for simple operations or control flow instructions.
- They make the code more concise by not requiring explicit operand specification.
- However, implied mode limits the flexibility of instructions to predetermined operations.
State the major characteristics of RISC processor
- Simplified Instruction Set:
- RISC processors have a simplified and streamlined instruction set with a limited number of instructions.
- The instructions are designed to be simple, perform basic operations, and execute in a single clock cycle.
- Fixed Instruction Length:
- Instructions in RISC processors have a fixed length, typically 32 bits.
- Fixed-length instructions simplify instruction fetching and decoding, resulting in faster instruction execution.
- Load/Store Architecture:
- RISC processors typically follow a load/store architecture.
- They only allow data transfer between memory and registers through specific load and store instructions.
- Arithmetic and logical operations are performed only on data present in registers.
- Register-Based Operations:
- RISC processors heavily rely on register operations.
- Most instructions operate on data stored in registers rather than directly accessing memory.
- This reduces memory access and improves performance by minimizing data movement between memory and the processor.
- Single-Cycle Execution:
- Instructions in RISC processors are designed to execute in a single clock cycle.
- This simplified execution model allows for faster and more predictable instruction processing.
- Pipelining Support:
- RISC processors are well-suited for pipelining, a technique that allows multiple instructions to overlap in execution stages.
- The simplified and fixed-length instructions make it easier to fetch, decode, and execute instructions in parallel stages, improving overall performance.
- High Performance and Efficiency:
- Due to the simplified instruction set and optimized execution model, RISC processors often deliver high performance and efficiency.
- They can achieve high clock speeds, execute instructions quickly, and efficiently utilize hardware resources.
Differentiate Programmed I/O and Interrupt initiated I/O
| Aspect | Programmed I/O | Interrupt-initiated I/O |
|---|---|---|
| Data Transfer Initialization | Initiated by instructions in the program | Initiated by interrupt command |
| CPU Involvement during Data Transfer | CPU stays in the loop to monitor device | CPU is not required to stay in the loop |
| CPU Utilization | Wastage of CPU cycles | CPU can perform other tasks efficiently |
| CPU Availability during Data Transfer | CPU cannot perform other work | CPU can perform other work concurrently |
| Speed of I/O Module | Treated as a slower module | Faster than programmed I/O module |
| Programming Complexity | Easy to program and understand | Can be trickier and more complex |
| Performance Impact on the System | System performance is severely degraded | System performance is enhanced |
Explain daisy chain priority interrupt
Daisy chain priority interrupt is a method used in computer systems to handle multiple interrupt requests from various devices. Here's a explanation of daisy chain priority interrupt Steps:
- Interrupt Requests:
- In a computer system, different devices such as input/output (I/O) devices or timers may generate interrupt requests to gain attention from the processor.
- Each interrupt request represents an event that requires immediate processing.
- Daisy Chain:
- Daisy chaining is a technique where multiple devices are connected in a chain-like manner, one after another.
- In the context of interrupts, the devices generating interrupts are connected in a daisy chain configuration.
- Priority Levels:
- Each device in the daisy chain has a designated priority level assigned to it.
- Devices with higher-priority levels are placed earlier in the daisy chain, closer to the processor.
- Interrupt Propagation:
- When an interrupt request occurs, it is first sent to the device at the beginning of the daisy chain.
- If the device can handle the interrupt, it processes it and informs the processor.
- If the device cannot handle the interrupt, it passes the request to the next device in the daisy chain.
- Priority Resolution:
- As the interrupt request propagates down the daisy chain, each device checks if it has a higher priority request pending.
- If a higher-priority request is present, the device temporarily suspends processing of the current interrupt request and forwards the higher-priority request to the next device.
- This continues until the highest-priority request reaches the processor.
- Interrupt Servicing:
- Once the highest-priority request reaches the processor, it suspends the current execution and starts processing the interrupt request.
- The processor executes the interrupt service routine (ISR) associated with the highest-priority request.
- Completion and Return:
- After servicing the interrupt, the processor notifies the interrupt controller, which then resumes the interrupted execution or proceeds with the next interrupt request in the daisy chain.
What is a data dependency conflict in instruction pipeline? Recommend solutions for data dependency conflicts.
Which are different pipeline conflicts. Describe.(summer-3)
Describe pipeline conflicts.
- Resource Conflicts:
- Resource conflicts occur when there are insufficient hardware resources in the pipeline.
- Structural hazards are a type of resource conflict, where two instructions require the same hardware resource simultaneously.
- Common example: Memory access conflicts when one instruction needs to access memory while another instruction is being fetched.
- Data Dependency Conflicts:
- Data dependency conflicts occur when an instruction depends on the result of a previous instruction that hasn't been executed yet.
- Data hazards arise when the pipeline is stalled due to unavailable operands or conflicting data dependencies.
- Solutions to handle data dependency conflicts in a pipeline:
- Hardware Interlocks:
- Interlocks are circuits that detect instructions with conflicting data dependencies.
- Hardware interlocks introduce delays to maintain program sequence and resolve data dependencies.
- They use hardware to insert the necessary delays, ensuring correct execution order.
- Operand Forwarding:
- Operand forwarding uses special hardware to detect data conflicts and avoid them by routing data through dedicated paths.
- Special paths and multiplexers are used to forward data from the producer instruction to the consumer instruction.
- Operand forwarding reduces stalls by allowing instructions to use updated data without waiting for it to be written to a register.
- Delayed Load:
- The compiler reorders instructions to delay loading conflicting data.
- Instructions that would cause data conflicts are rearranged or inserted with no-operation instructions to ensure proper data availability.
- This approach involves instruction-level scheduling by the compiler to minimize data dependencies.
- Branch Difficulties:
- Branch difficulties occur when branching instructions change the program counter and disrupt the sequential flow of instructions.
- Control hazards are difficulties caused by branching instructions.
- Techniques like timely detection, early calculation of branch addresses, and early testing of branch conditions help handle control hazards in pipelines.
These conflicts and difficulties can lead to pipeline stalls, delays, and reduced performance. Pipelining techniques such as resource management, data forwarding, and branch prediction are used to minimize their impact and improve pipeline efficiency.
Explain multiport memory and crossbar switch with reference to interconnection structures in multiprocessors.
Multiport Memory:
- Multiport memory is a type of memory system that allows simultaneous access to multiple memory locations by multiple processors or devices.
- It provides multiple independent ports or interfaces, each capable of accessing the memory in parallel.
- Each port has its own address and data buses, enabling concurrent read and write operations by different processors.
- Multiport memory is commonly used in multiprocessor systems where multiple processors need to access the memory simultaneously without contention.
Crossbar Switch:
- A crossbar switch is an interconnection structure used in multiprocessor systems to enable communication between multiple processors and memory modules.
- It consists of a grid of horizontal and vertical lines that form a matrix.
- Each row of the matrix represents a processor, and each column represents a memory module.
- The crosspoints where the horizontal and vertical lines intersect represent the connections between processors and memory modules.
- Crossbar switches provide a dedicated connection between each processor and memory module, allowing simultaneous data transfers between any processor and any memory module.
- They offer high bandwidth and low latency, making them suitable for systems with high communication demands.
In summary, multiport memory and crossbar switches are different components used in multiprocessor systems. Multiport memory enables simultaneous memory access, while crossbar switches provide dedicated connections for communication between processors and memory modules.
A 4-way set-associative cache memory unit with a capacity of 16 KB is built using a block size of 8 words. The word length is 32 bits. The size of the physical address space is 4 GB. How many bits for the will be required for TAG field?
NOTE: This solved by chatGPT, refer book once if want to.
To determine the number of bits required for the TAG field in a cache memory unit, we need to consider the cache capacity, block size, and the size of the physical address space.
Given information:
- Cache capacity: 16 KB (kilobytes)
- Block size: 8 words
- Word length: 32 bits
- Physical address space: 4 GB (gigabytes)
First, we need to calculate the number of blocks in the cache memory. Since the cache is 4-way set-associative, each set contains 4 blocks. Thus, the total number of sets in the cache is equal to the cache capacity divided by the product of the block size and the number of blocks in a set:
Number of sets = Cache capacity / (Block size _ Number of blocks per set) = 16 KB / (8 words/block _ 4 blocks/set) = 16 KB / 32 words/set = 512 sets
Next, we determine the number of bits required to index each set. Since there are 512 sets, we need log2(512) = 9 bits to uniquely identify each set.
Finally, we calculate the number of bits required for the TAG field by subtracting the number of index bits and the number of bits required for the word offset (log2(block size)) from the total number of bits in the physical address space:
Number of TAG bits = Total address bits - Index bits - Word offset bits = log2(4 GB) - 9 bits - log2(8 words) = log2(2^32) - 9 bits - log2(2^3) = 32 bits - 9 bits - 3 bits = 20 bits
Therefore, the TAG field in this 4-way set-associative cache memory unit would require 20 bits.
Criticize Three-Address Instructions and Zero address instruction with common example.
Criticizing Three-Address Instructions:
- Longer instructions: Three-address instructions tend to have longer formats, which can lead to increased memory requirements and longer instruction fetch times.
- Increased complexity: Handling three operands in an instruction adds complexity to decoding and execution, potentially impacting performance.
- Register pressure: Three-address instructions often require multiple registers, increasing the register pressure and limiting available registers for other instructions.
Example: Expression: X = (A+B)_(C+D)
Instruction Description ADD R1, A, B R1 = M[A] + M[B] ADD R2, C, D R2 = M[C] + M[D] MUL X, R1, R2 M[X] = R1 _ R2
In the table, each instruction is followed by its corresponding description or operation. The operands are represented by A, B, C, D, R1, R2, and X, which can refer to memory locations or registers. The operations performed include addition and multiplication, and the results are stored in the specified registers or memory locations.
Criticizing Zero-Address Instructions:
- Lack of clarity: Zero-address instructions don't explicitly specify operands, making the code less clear and harder to understand and maintain.
- Stack management overhead: Stack-based instructions involve frequent manipulation of the stack, leading to additional memory accesses and computational overhead.
- Limited operand flexibility: Zero-address instructions usually operate on top stack elements, restricting the types of operations that can be performed.
- Difficulty in compiler optimization: Lack of explicit operands in zero-address instructions poses challenges for compiler optimization, potentially resulting in suboptimal code generation. Expression: X = (A+B)*(C+D)
| Instruction | Operation | Description |
|---|---|---|
| PUSH A | TOP = A | Pushes value A onto the stack |
| PUSH B | TOP = B | Pushes value B onto the stack |
| ADD | TOP = A+B | Adds the top two values |
| PUSH C | TOP = C | Pushes value C onto the stack |
| PUSH D | TOP = D | Pushes value D onto the stack |
| ADD | TOP = C+D | Adds the top two values |
| MUL | TOP = (C+D)*(A+B) | Multiplies the top two values |
| POP X | M[X] = TOP | Pops the top value from the stack and stores it in memory location X |
In the table, each instruction is followed by its corresponding operation or calculation, and a brief description of what the instruction does. The TOP variable represents the top of the stack, which holds the most recent value pushed onto it. The PUSH instruction adds a value to the stack, the ADD instruction adds the top two values on the stack, the MUL instruction multiplies the top two values, and the POP instruction retrieves the top value from the stack and stores it in a specified memory location.
NOTE: Remember that these criticisms should be considered in the appropriate context and that different instruction formats may be more suitable depending on the specific requirements of a system or architecture.
Differentiate RISC and CISC architecture.
Compare and contrast RISC and CISC.(summer-4)
| Aspect | RISC Architecture | CISC Architecture |
|---|---|---|
| Instruction Set | Simplified and smaller | Larger and more complex |
| Instruction Format | Fixed length and regular format | Variable length and diverse formats |
| Execution Philosophy | Emphasizes simplicity and efficiency | Provides a rich set of instructions for high-level language programming |
| Pipelining | Utilizes deep pipelines | Shorter pipelines or no pipelines |
| Register Usage | Relies heavily on registers | Can access memory directly |
| Compiler Dependency | Relies on the compiler for optimization | Hardware and microcode handle complex instructions efficiently |
| Power Efficiency | Tends to be more power-efficient | May consume more power due to complexity |
| Code Density | May require more instructions for a task | Achieves higher code density with complex instructions |
Compare following terms: 1. Write through-cache and Write back cache. 2. Spatial locality and Temporal locality
| Terms | Write-through Cache | Write-back Cache |
|---|---|---|
| Definition | Updates both cache and main memory simultaneously. | Writes to cache first, and main memory is updated later. |
| Write Operation | Writes to cache and main memory simultaneously. | Writes to cache only; main memory is updated later. |
| Consistency | Data in cache and main memory are always consistent. | Data inconsistency between cache and main memory until write-back occurs. |
| Write Performance | Slower due to the need to update main memory for every write. | Faster as multiple writes to the same cache block can be coalesced into a single main memory write. |
| Terms | Spatial Locality | Temporal Locality |
|---|---|---|
| Definition | Accessing a memory location implies accessing nearby memory locations. | Accessing a memory location implies accessing the same location again soon. |
| Principle | Data elements close together in memory are likely to be accessed together. | Recently accessed data is likely to be accessed again in the near future. |
| Exploitation | Caching algorithms fetch neighboring blocks into the cache preemptively. | Caching keeps recently accessed data in the cache for faster subsequent accesses. |
| Examples | Fetching neighboring cache blocks when loading a block. | Caching frequently used variables or loop iterations. |
Write a program to evaluate X = (a*b)/c+d in two address and three address instruction formats.
The program to evaluate the expression X = (a * b) / c + d in both two-address and three-address instruction formats:
Two-Address Instruction Format:
1. LOAD R1, a ; Load the value of a into register R1
2. MUL R1, b ; Multiply the value of R1 with b
3. DIV R1, c ; Divide the value of R1 by c
4. ADD R1, d ; Add the value of d to R1
5. MOVE X, R1 ; Move the value of R1 to the memory location X
6. STOP ; Stop the program
Three-Address Instruction Format:
MULT R1, a, b ; Multiply the values of a and b, result stored in R1
DIV R2, R1, c ; Divide the value in R1 by c, result stored in R2
ADD X, R2, d ; Add the value of d to R2, result stored in X
In both instruction formats, the program starts by loading the values of variables a, b, c, and d into registers. Then, it performs the necessary arithmetic operations to evaluate the expression. Finally, it stores the result in the memory location X and stops the program.
Please note that the program assumes the availability of appropriate instructions (LOAD, MUL, DIV, ADD, MOVE) and registers (R1, R2, R3, R4) in the computer architecture. Adjust the register names and instruction formats based on the specific processor and assembly language being used.
Write an Assembly level program to move one block of data to another location.
Algorithm:
- Load register pair H-L with the address 2500H.
- Load register pair D-E with the address 2600H.
- Move the content at the memory location into the accumulator.
- Store the content of the accumulator into the memory pointed by D-E.
- Increment the value of register pair H-L and D-E by 1.
- Decrement the value of register C by 1.
- If the zero flag is not equal to 1, go to step 3.
- Stop.
Program:
| Memory | Mnemonics | Operands | Comment |
|---|---|---|---|
| 2000 | MVI C | 05 | [C] < - 05 |
| 2002 | LXI H | 2500H | [H-L] < - 2500H |
| 2005 | LXI D | 2600H | [D-E] < - 2600H |
| 2008 | MOV A, M | [A] < - [[H-L]] | |
| 2009 | STAX D | [A] - > [[D-E]] | |
| 200A | INX H | [H-L] < - [H-L] + 1 | |
| 200B | INX D | [D-E] < - [D-E] + 1 | |
| 200C | DCR C | [C] < - [C] – 1 | |
| 200D | JNZ | 2008 | Jump if not zero to 2008 |
| 2010 | HLT | Stop |
Explain BCD adder in brief

BCD representation is a class of binary encodings of decimal numbers where each decimal digit is represented by a fixed number of bits.
- BCD adder is a circuit that adds two BCD digits in parallel and produces a sum digit in BCD form.
- Since each input digit does not exceed 9, the output sum cannot be greater than 19(9+9+1).
- In the BCD adder circuit, the binary numbers K, Z8, Z4, Z2, and Z1 represent the carry and weights assigned to the BCD bits.
- When the binary sum is equal to or less than 9, the corresponding BCD number remains the same.
- The condition for correction and output carry is determined by the Boolean function: C = K + Z8Z4 + Z8Z2.
- If the binary sum is greater than 9, it requires conversion to correct BCD representation by adding binary 6.
- The top 4-bit binary adder adds the two decimal digits along with the input carry to produce the binary sum.
- If the output carry is 0, no additional operation is performed on the binary sum.
- When C is equal to 1, the binary sum is augmented with the binary value 0110 using the bottom 4-bit binary adder.
- The output carry from the bottom binary adder may be disregarded.
Seven marks
Describe how control unit determine instruction type after the decoding using flowchart for instruction cycle.
Which are the different phases of Instruction Cycle? Describe Register transfer for fetch phase with its diagram.
Different phases of Instruction Cycle:
- Fetch an instruction from memory.
- Decode the instruction.
- Read the effective address from memory if the instruction has an indirect address.
- Execute the instruction.
During the fetch phase in a computer's instruction cycle, the following register transfers occur:
- PC (Program Counter) to MAR (Memory Address Register):
- The value stored in the Program Counter is transferred to the Memory Address Register.
- This transfer specifies the memory address from which the next instruction is to be fetched.
- MAR to Memory:
- The value stored in the Memory Address Register is used to access the memory.
- The memory is read at the specified address to fetch the instruction.
- Memory to MDR (Memory Data Register):
- The instruction stored in memory at the specified address is read and transferred to the Memory Data Register.
- The Memory Data Register holds the actual data (instruction) fetched from memory.
- MDR to IR (Instruction Register):
- The fetched instruction stored in the Memory Data Register is transferred to the Instruction Register.
- The Instruction Register holds the current instruction being executed by the processor.
State various phases of instruction cycle.(summer-4)
Draw the flowchart for instruction cycle and explain.

Instruction cycle consists of the following phases: 1. Fetch an instruction from memory. 2. Decode the instruction. 3. Read the effective address from memory if the instruction has an indirect address. 4. Execute the instruction.
Steps:
- Fetch:
- The CPU fetches the next instruction from memory using the program counter (PC) and stores it in the instruction register (IR).
- Decode:
- The CPU decodes the instruction in the IR to understand the operation it represents and the required data.
- Execute:
-
The CPU performs the specified operation, such as calculations, logic operations, or accessing memory or I/O devices.
-
If D7 = 0 and I = 1, denotes memory-reference instruction with an indirect address.
-
If D7 = 0 and I = 0, denotes address is already in AR. Thus do nothing.
-
If D7 = 1 and I = 1, denotes I/O instruction.
-
If D7 = 1 and I = 0, denotes register-reference instruction.
- Update:
- The CPU updates the program counter (PC) to point to the next instruction in memory, allowing for sequential execution.
The instruction cycle repeats for each instruction, enabling the computer to perform a series of operations in a controlled manner. This process continues unless a HALT instruction is encountered.
Show the contents of registers E, AC, BR, QR and SC during the process of multiplying 11111 with 10101.

List and explain Memory reference instructions in detail. (winter-7)
List and explain Memory reference instructions in detail.

-
Load (LD): - The Load instruction copies the contents of a memory location into a register. - Example: LD A, 0600H
-
Store (ST):
- The Store instruction transfers the contents of a register to a memory location.
- Example: ST A, 0700H
- Move (MOV):
- The Move instruction copies the contents of one register to another register or from memory to a register, and vice versa.
- Example: MOV B, A
- Compare (CMP):
- The Compare instruction compares the contents of a register with a value in memory without modifying the register.
- Example: CMP A, 0600H
- Increment (INC):
- The Increment instruction increases the value of a register or a value in memory by one.
- Example: INC B
- Decrement (DEC):
- The Decrement instruction decreases the value of a register or a value in memory by one.
- Example: DEC C
- Add (ADD):
- The Add instruction adds the contents of a register or a value in memory to the accumulator.
- Example: ADD A, B
- Subtract (SUB):
- The Subtract instruction subtracts the contents of a register or a value in memory from the accumulator.
- Example: SUB A, 0600H
Explain how addition and subtraction of signed data is performed if a computer system uses signed magnitude representation.
Addition:
- Check the signs:
- +7 is positive (sign bit = 0)
- -3 is negative (sign bit = 1)
- Perform addition on the magnitudes:
- Ignore the sign bits and perform regular addition: 7 + 3 = 10
- Determine the sign of the result:
- Since the signs are different, the result takes the sign of the operand with the greater magnitude. In this case, +7 has a greater magnitude than -3.
- Therefore, the result is positive (sign bit = 0).
- Handle overflow:
- Since we're working with a 4-bit representation, the maximum positive value is +7 (0111). In this case, the sum (10) does not exceed this limit, so no overflow occurs.
- Result: +10
Subtraction:
- Convert the subtraction operation to addition:
- To subtract -3, we negate it to +3.
- The subtraction operation now becomes: +7 + (+3).
- Perform addition using the modified operands:
- Ignore the sign bits and perform regular addition: 7 + 3 = 10
- Determine the sign of the result:
- The sign of the result is determined by the original sign of the first operand, which is +7.
- Therefore, the result is positive (sign bit = 0).
- Result: +10
What is cache memory address mapping? Compare and contrast direct address mapping and set-associative address mapping.
| Features | Direct Address Mapping | Set-Associative Address Mapping |
|---|---|---|
| Mapping Technique | One-to-One mapping of addresses | Multiple addresses mapped to a set |
| Cache Organization | Fully Associative | Partially Associative |
| Number of Sets | Equal to the number of Cache Blocks | Less than the number of Cache Blocks |
| Number of Cache Blocks | Equal to the number of Main Memory Blocks | Greater than the number of Main Memory Blocks |
| Mapping Efficiency | High | Moderate |
| Cache Hit/Miss | Quick and efficient | Requires searching within a set |
| Replacement Policy | Not applicable | Typically LRU (Least Recently Used) |
| Implementation Complexity | Low | Moderate |
| Hardware Complexity | Simple | Requires additional hardware for set indexing |
| Cost | Lower | Higher |
What is cache memory address mapping? Which are the different memory mapping techniques? Explain any one of them in detail.
- Cache memory address mapping refers to the process of determining how memory addresses are mapped to cache locations. Cache memory is a small, fast memory component that stores frequently accessed data or instructions, allowing for faster access compared to main memory.
Here are the different memory mapping techniques used in cache memory:
- Direct Mapping
- Fully Associative Mapping
- Set-Associative Mapping
- N-way Set-Associative Mapping
- N-way Set-Associative Mapping with Victim Cache
- Pseudo-Associative Mapping
Direct Mapping:
- In direct mapping, each main memory block is mapped to a specific cache location. The mapping is determined by the least significant bits of the memory address. The cache is divided into sets, with each set containing multiple cache lines (blocks).
Explanation of Direct Mapping:
- Consider a cache with 4 sets and 8 cache lines (blocks), and a main memory with multiple blocks.
- Each main memory block is mapped to a specific cache line based on the index bits (obtained from the least significant bits) of the memory address.
- For example, if the cache has 4 sets, the two least significant bits of the memory address are used to determine the set number.
- If a memory block needs to be fetched or stored, the cache controller checks the corresponding set based on the index bits and searches for a match within the cache lines of that set.
- If there is a match, indicating a cache hit, the data can be directly accessed from the cache.
- If there is no match, indicating a cache miss, the data needs to be fetched from the main memory and stored in the cache, replacing the existing block within that set.
Advantages:
- Simple and straightforward implementation.
- Requires less hardware and complexity compared to other mapping techniques.
- Each memory block has a specific cache location, making it easy to locate.
Disadvantages:
- Possibility of conflicts and higher cache miss rate due to limited cache locations.
- Certain memory access patterns may lead to frequent cache evictions and replacements.
- Limited flexibility in handling data with similar index bits.
Explain booth’s multiplication algorithm with example.
Explain booth’s multiplication algorithm with example.
-
Initialize the A register with the multiplicand and the Q register with the multiplier.
- A: Multiplicand
- Q: Multiplier
-
Add an extra bit, Q(-1), set to 0, at the leftmost side of the Q register.
-
Create a counter, initially set to the number of bits in the multiplier, to keep track of the iterations.
-
Repeat the following steps for each bit of the multiplier:
a. Check the LSB of Q and the Q(-1) bit:
-
If LSB = 0 and Q(-1) = 1:
- Right shift A and Q by 1 position.
- Subtract the multiplicand from A.
-
If LSB = 1 and Q(-1) = 0:
- Right shift A and Q by 1 position.
- Add the multiplicand to A.
b. Right shift A and Q by 1 position, discarding the LSB of Q and storing it in Q(-1).
c. Decrement the counter by 1.
-
-
After the iterations, the product is obtained by concatenating the A and Q registers.
- Product = A + Q
Note: Booth's algorithm optimizes multiplication by taking advantage of patterns in the multiplier's bits. It reduces the number of arithmetic operations required, resulting in faster multiplication.

Write a note on asynchronous data transfer.
Write a note on asynchronous data transfer(summer-7).
-
Asynchronous data transfer is a method used for transmitting data between two entities, such as computers or devices, where the data is sent without a fixed timing or clock signal. It is an alternative to synchronous data transfer, where data is transmitted in a synchronized manner with a clock signal.
-
In asynchronous data transfer, the sender and receiver are not synchronized by a common clock. Instead, each entity has its own clock source, and the data is transmitted in a self-contained format that includes control information for synchronization. This allows for more flexible and efficient data transmission in various scenarios.
Here are some key aspects of asynchronous data transfer:
-
Start-Stop Signaling:
- Data is transmitted as characters with start, data, and stop bits.
- Start bit indicates the beginning, and stop bit indicates the end of each character.
-
Baud Rate and Bit Duration:
- Baud rate determines the transmission speed and bit duration.
- Receiver uses the baud rate to sample and interpret the data.
-
Asynchronous vs. Synchronous:
- Asynchronous transfer does not rely on a shared clock signal.
- Synchronous transfer requires a synchronized timing source.
-
Flexibility and Efficiency:
- Asynchronous transfer accommodates timing variations and sporadic data transmission.
- Receiver can process data at its own pace, improving resource utilization.
- Reduces the complexity of synchronizing multiple devices or systems.
-
UART and Serial Communication:
- Asynchronous transfer is commonly used in UART and serial communication protocols.
- UART interfaces convert parallel data formats to serial for reliable transmission.
Here's a list of commonly used methods for asynchronous data transfer:
- UART (Universal Asynchronous Receiver-Transmitter)
- USART (Universal Synchronous Asynchronous Receiver-Transmitter)
- USB (Universal Serial Bus)
Write a note on interprocess communication and synchronization.
Interprocess communication (IPC) and synchronization are crucial concepts in operating systems and concurrent programming. They facilitate communication and coordination between multiple processes running concurrently on a computer system. Here's a note explaining interprocess communication and synchronization:
Interprocess Communication (IPC): Interprocess communication refers to the mechanisms and techniques used for processes to exchange data, information, and signals with each other. It allows processes to collaborate, coordinate, and share resources in a concurrent system. IPC enables processes to communicate, either within the same computer system or across different systems connected through a network.
There are several IPC mechanisms and techniques, including:
- Shared Memory:
- Processes can share a portion of memory to exchange data. It provides fast and efficient communication but requires careful synchronization to avoid data inconsistencies.
- Message Passing:
- Processes communicate by sending and receiving messages through a communication channel, such as pipes, sockets, or message queues. Message passing offers flexibility and simplicity in communication but may have higher overhead.
- Pipes:
- A pipe is a unidirectional communication channel between two related processes. One process writes to the pipe, and the other reads from it. Pipes are commonly used for communication between a parent process and its child processes.
- Sockets:
- Sockets provide a bidirectional communication channel between processes over a network. They allow processes running on different systems to communicate and exchange data.
- Remote Procedure Call (RPC):
- RPC enables processes to invoke procedures or functions on remote processes as if they were local. It abstracts the complexity of network communication, allowing for seamless interprocess communication across distributed systems.
Synchronization: Synchronization is the coordination of multiple processes or threads to ensure orderly and safe access to shared resources and avoid race conditions. It involves enforcing specific execution orders and preventing conflicts when multiple processes or threads access shared data concurrently.
Common synchronization mechanisms include:
- Mutex (Mutual Exclusion):
- A mutex is used to protect critical sections of code, allowing only one process or thread to access the shared resource at a time. It ensures exclusive access and prevents race conditions.
- Semaphores:
- Semaphores are used to control access to shared resources by maintaining a count. They can be used to allow a specific number of processes or threads to access a resource simultaneously.
- Condition Variables:
- Condition variables are used for synchronization and communication between processes or threads. They enable threads to wait for a certain condition to be satisfied before proceeding.
- Barriers:
- Barriers are synchronization points where multiple processes or threads must reach before any of them can proceed further. They are used to synchronize parallel execution stages.
Proper synchronization techniques are essential to maintain data integrity, avoid race conditions, and ensure the correctness of concurrent systems.
A non-pipeline system takes to process a task. The same task can be processed in a six segment pipeline with a clock cycle of 10ns. Determine the speedup ratio of the pipeline for 100 tasks. What is the maximum speed up that can be achieved?
To calculate the speedup ratio of a pipeline system and determine the maximum speedup, we need to consider the processing time of both the non-pipeline system and the pipeline system.
Given: Processing time of the non-pipeline system = T_non_pipeline Processing time of the pipeline system = T_pipeline Number of tasks = 100 Clock cycle of the pipeline system = 10ns
To determine the speedup ratio, we can use the formula:
Speedup Ratio = T_non_pipeline / T_pipeline
For the non-pipeline system, the total processing time for 100 tasks is simply 100 times the processing time for one task:
T_non_pipeline = T_task * 100
For the pipeline system, the total processing time is calculated as the sum of the processing time for each segment. Since each segment operates in parallel, the total processing time is determined by the segment with the maximum time:
T_pipeline = T_segment * 6
To calculate the maximum speedup achievable, we need to consider the segment with the longest processing time. In this case, it is the segment with T_segment.
Let's assume the value of T_task for the non-pipeline system is X (in some unit of time).
So, we can calculate the values of T_non_pipeline and T_pipeline:
Tnon_pipeline = X * 100 Tpipeline = T_segment * 6
The speedup ratio is then:
Speedup Ratio = (X _ 100) / (T_segment _ 6)
To find the maximum speedup, we need to minimize the processing time of the longest segment, T_segment.
Therefore, the maximum speedup is achieved when T_segment is at its minimum possible value.
Note: Without additional information about the specific task and the processing times of individual segments in the pipeline, we cannot provide a precise value for the maximum speedup achievable in this scenario.
Elaborate W CPU-IOP communication.
Explain CPU-IOP communication with diagram.(winter)

CPU-I/O communication, refers to the interaction and exchange of data between the central processing unit (CPU) and the input/output processor (IOP) in a computer system.
The IOP serves as an intermediary between the CPU and various input/output devices, facilitating communication and data transfer.
Steps:
- CPU sends an instruction to test the I/O device.
- The I/O device responds by inserting a status word in memory for the CPU to check.
- The status word contains bits that indicate the condition of the I/O device, such as overload, readiness, or errors.
- The CPU checks the status word in memory to determine the next action.
- If everything is in order, the CPU sends an instruction to start the I/O transfer.
- The instruction includes a memory address to indicate where the I/O device should find its program.
- The CPU can continue executing other programs while the I/O device is busy with the transfer.
- Both the CPU and the I/O device access memory using direct memory access (DMA).
- When the I/O device finishes its program, it sends an interrupt request to the CPU.
- The CPU responds to the interrupt by issuing an instruction to read the status from the I/O device.
- The I/O device puts the contents of its status report into a specified memory location.
- The status word indicates if the transfer was completed successfully or if any errors occurred.
- The CPU examines the status word to determine if the I/O operation was completed without errors.
- The I/O device handles the data transfers between multiple I/O units and memory while the CPU continues executing other programs.
- Since the CPU and I/O device both require access to memory, the number of devices in operation may be limited by the memory access time.
Elaborate cache coherence problem with its solutions.
- The cache coherence problem arises in multiprocessor systems where multiple processors each have their own cache memory. When multiple processors have cached copies of the same memory location, the problem occurs when these copies become inconsistent due to updates made by different processors. This can lead to data inconsistencies and incorrect program behavior. Here's an elaboration on the cache coherence problem and its solutions:
Cache Coherence Problem:
- Data Inconsistencies:
- In a multiprocessor system, if one processor updates a shared memory location, the other processors' caches may still hold stale copies of that location. This can lead to data inconsistencies when processors access or modify the same memory location.
- Memory Ordering Violations:
- In a multiprocessor system, the order in which memory operations occur can affect the outcome of a program. Inconsistent caching can violate the desired memory ordering, leading to incorrect program execution.
Solutions to Cache Coherence Problem:
- Disallow Private Caches:
- One solution is to disallow private caches altogether in a multiprocessor system.
- This means that each processor has direct access to the main memory and does not have its own cache.
- While this eliminates the cache coherence problem, it can significantly impact system performance due to increased memory access times.
-
Software approaches:
-
Read-Only Data Cacheability:
-
Another solution is to mark data that is read-only as cacheable.
-
If a memory location is marked as read-only, processors can cache it safely without the risk of data inconsistencies caused by updates.
-
Centralized Global Time:
- Centralized global time synchronization can be used to order memory operations across processors.
- By enforcing a global time reference, processors can ensure that memory operations are executed in a synchronized order, preventing data inconsistencies.
- However, this approach can introduce additional overhead and may not be suitable for highly distributed or large-scale systems.
-
-
Hardware approaches:
- Snoopy Cache Controller:
- A popular solution is to use a snoopy cache controller.
- In this approach, each processor's cache is equipped with a snoopy controller that monitors the bus connecting all the caches.
- When one processor updates a memory location, the snoopy controller notifies all other processors to invalidate or update their copies of the same location.
- This maintains cache coherence and ensures consistent data access across processors.
Draw and explain working of 4 bit binary adder.
Design a digital circuit for 4-bit binary adder(3 mark)

- Bit-wise Addition:
- Start from the LSB and move towards the MSB.
- Use a full-adder circuit for each bit position.
- Add the corresponding bits from the input numbers and the carry-in from the previous stage.
- Full-Adder Operation:
- The full-adder adds the three inputs (bit, bit, and carry-in) to produce a sum bit and a carry-out.
- The sum bit represents the addition result for that bit position, and the carry-out indicates whether a carry occurred.
- Propagate Carry:
- The carry-out from each full-adder becomes the carry-in for the next higher-order bit.
- This propagates any carry generated from lower-order bits to higher-order bits.
- Sum Output:
- Collect the sum bits from each full-adder to form the 4-bit sum output.
- The sum bits represent the binary addition result of the input numbers.
- Final Carry:
- The carry-out from the MSB represents the final carry-out.
- It indicates whether a carry occurred beyond the MSB position.
State and Explain any seven logic micro operation.

-
Clear: Sets the bits of a register to 0. The previous value of the register is removed.
-
AND: Performs a logical AND operation between the bits of two registers. The output is 1 only when both input bits are 1.
-
Transfer A: Transfers the contents of register A to the output register.
-
Transfer B: Transfers the contents of register B to the output register.
-
Exclusive OR: Performs a logical XOR operation between the bits of two registers. The output is 1 when the input bits are different and 0 when they are the same.
-
OR: Performs a logical OR operation between the bits of two registers. The output is 1 when at least one input bit is 1.
-
NOR: Performs a logical NOR operation between the bits of two registers. The output is 0 when at least one input bit is 1, and 1 when both input bits are 0.
-
Exclusive NOR: Performs a logical XNOR operation between the bits of two registers. The output is 1 when the input bits are the same, and 0 when they are different.
-
Complement B: Transfers the complemented contents of register B to the output register. The bits of register B are inverted.
-
Complement A: Transfers the complemented contents of register A to the output register. The bits of register A are inverted.
-
NAND: Performs a logical NAND operation between the bits of two registers. The output is 0 only when both input bits are 1.
-
Set to all 1's: Sets all the bits of a register to 1. The previous value of the register is removed, and all bits are set to 1.
These logic micro-operations are used in the design of microprocessors and digital systems to perform various logical computations and data transformations.
Explain any four input output reference instruction.

-
INP (Input): Reads input data from an external device and stores it in a register.
-
OUT (Output): Sends output data from a register to an external device.
-
SKI (Skip If Input): Skips the next instruction if there is input available from an input device.
-
SKO (Skip If Output): Skips the next instruction if an output device is ready to accept data.
Write a short note on virtual memory.
Virtual memory is a memory management technique used by modern computer systems to provide an illusion of having more available memory than what is physically present.
It allows programs to execute as if they have access to a large, contiguous block of memory, even if the physical memory is limited.
Here's an explanation of virtual memory:
-
Memory Address Translation:
- Virtual memory divides the logical address space used by programs into fixed-size units called pages.
- Physical memory is also divided into page-sized units called frames.
- Memory address translation is performed to map virtual addresses to physical addresses.
-
Page Table:
- The operating system maintains a data structure called a page table, which keeps track of the mapping between virtual pages and physical frames.
- The page table stores the mapping information, such as the physical address corresponding to each virtual page.
-
Page Fault:
- When a program references a virtual address that is not currently mapped to a physical address, a page fault occurs.
- The operating system handles the page fault by loading the required page from secondary storage (such as a hard disk) into an available physical frame.
- The page table is updated to reflect the new mapping.
-
Demand Paging:
- Virtual memory uses a demand-paging strategy, which means that pages are only loaded into physical memory when they are needed.
- This helps conserve physical memory space by loading only the required pages and swapping out less frequently used pages.
-
Memory Management Unit (MMU):
- The Memory Management Unit is a hardware component responsible for translating virtual addresses to physical addresses during memory accesses.
- The MMU consults the page table to perform the address translation.
-
Address Space and Protection:
- Virtual memory provides each process with its own virtual address space, isolating processes from each other.
- Memory protection mechanisms are implemented through page table entries to ensure that processes cannot access unauthorized memory regions.
-
Benefits of Virtual Memory:
- It allows running larger programs than the available physical memory can accommodate.
- It enables efficient memory utilization by loading only necessary pages into memory.
- It provides memory isolation and protection between processes.
- It simplifies memory management for both the operating system and programmers.
Draw flowchart of first pass assembler.(summer-3)
Draw and briefly explain flowchart for first pass of assembler.(3 winter)
Draw and explain flowchart for first pass of assembler.(summer-4)
Draw the flowchart of first pass of the assembler and explain working of the same.(4 mark )
Draw the flowchart of first pass of the assembler and explain working of the same.

Here's an explanation of the flowchart for the first pass of an assembler:
- Start:
- The first pass of the assembler begins.
- Initialize variables and data structures:
- Necessary variables and data structures are initialized for processing the assembly code.
- Read the source code:
- The assembler reads the source code written in assembly language.
- Process each line:
- The assembler starts processing each line of the source code sequentially.
- Identify labels:
- The assembler checks if the line contains a label. If a label is present, it is extracted and processed separately.
- Update symbol table:
- If a label is found, the assembler updates the symbol table. It records the label along with its associated memory address or value.
- Process directives:
- The assembler identifies and processes directives present in the line. Directives provide instructions to the assembler for tasks such as memory allocation, variable definitions, and macro handling.
- Generate intermediate code:
- For each line, the assembler generates intermediate code. This code includes the mnemonic instruction, operands, and any additional information required for further processing.
- Handle macros (if applicable):
- If the line contains a macro call, the assembler expands the macro by replacing the macro call with the corresponding macro instructions or code segments.
- Output intermediate code:
- The generated intermediate code is stored in an intermediate file or data structure for later use in the second pass.
- Check for errors:
- The assembler performs error checking during the first pass. It ensures that the source code follows the syntax and semantics of the assembly language. If any errors are detected, appropriate error messages are generated.
- Continue to the next line:
- After processing a line, the assembler moves on to the next line in the source code.
- End:
- The first pass of the assembler concludes when all lines of the source code have been processed.
Draw and briefly explain flowchart for second pass of assembler.
What is assembler? Draw the flowchart of second pass of the assembler.(summer-4)
- An assembler is a program that converts assembly language into machine code.
- Assemblers are similar to compilers in that they produce executable code.
- However, assemblers are more simplistic since they only convert low-level code (assembly language) to machine code.

The second pass of an assembler involves the generation of machine code or object code from the assembly code. Here is a brief explanation of the flowchart for the second pass of an assembler:
Explanation of the flowchart steps:
- Start:
- The second pass of the assembler begins.
- Initialize variables and data structures:
- Necessary variables and data structures are set up for processing the assembly code.
- Read the intermediate file:
- The assembler reads the intermediate file created during the first pass, which contains the assembly instructions and associated information.
- Loop through each instruction:
- The assembler iterates through each instruction in the intermediate file.
- Process instruction:
- For each instruction, the assembler performs processing tasks, such as generating machine code and resolving addresses.
- Generate machine code:
- The assembler converts the mnemonic instructions and operands into machine code, following the instruction set architecture.
- Perform address resolution:
- The assembler resolves any symbolic addresses or labels used in the instructions, replacing them with their corresponding memory addresses.
- Handle relocation and linking:
- If necessary, the assembler performs relocation and linking operations to adjust addresses and establish references between different parts of the code.
- Output the machine code:
- The generated machine code is outputted to an output file or memory location for further use.
- End loop:
- The assembler continues looping until all instructions have been processed.
- Check for errors:
- The assembler performs error checking to ensure the instructions are syntactically and semantically correct. If any errors are found, appropriate error messages are generated.
- End:
- The second pass of the assembler concludes.
Draw and explain micro program sequencer circuit with diagram.


-
The microprogram sequencer circuit is a fundamental component in microprogrammed control units (MCUs) used in computer architecture.
-
It is responsible for sequencing the execution of microinstructions stored in the control memory.
-
A microprogrammed control unit consists of two main components, the control memory and the microprogram sequencer.
-
The microprogram sequencer is responsible for selecting the next address in the control memory, and it can be customized for different applications.
-
The microprogram sequencer has an internal organization that allows it to adapt to various applications.
-
It includes features like an internal register stack for temporary storage of addresses during looping and subroutine calls.
-
Some sequencers also have an output register that functions as the address register for the control memory.
-
The block diagram of a microprogram sequencer typically includes two multiplexers.
-
The first multiplexer selects an address from multiple sources and sends it to a control address register (CAR).
-
The second multiplexer tests the value of a selected status bit and applies the result to an input logic circuit. The CAR provides the address for the control memory.
-
The content of the CAR is incremented and connected to the subroutine registers (SBR).
-
Multiple subroutines can be active at the same time by using a register stack, which is usually about four to eight levels deep.
-
The CD (condition) field of the microinstruction selects a status bit in the second multiplexer. Depending on whether the selected bit is 1 or 0, the T (test) variable is set accordingly.
-
The T value, along with the branch (BR) field, is processed by the input logic circuit.
Explain delay load and delay branch with respect to RISC pipeline.
- In a RISC (Reduced Instruction Set Computer) pipeline, delay load and delay branch are techniques used to handle dependencies and improve pipeline efficiency. Here's an explanation of delay load and delay branch:
Delay Load:
- In a RISC pipeline, delay load is used to handle dependencies for load instructions.
- Load instructions fetch data from memory, but the result is not immediately available.
- Subsequent instructions in the pipeline continue execution assuming the load instruction will complete successfully.
- The actual result of the load instruction becomes available in a later pipeline stage.
- Delay load improves pipeline efficiency by reducing idle cycles caused by data dependencies.
- Measures like forwarding data or inserting stall cycles may be used to handle dependencies.
Delay Branch:
- Delay branch is a technique used to handle branch instructions in a RISC pipeline.
- Branch instructions alter the control flow of the program.
- The target address of a branch is typically not known until the branch condition is evaluated.
- Subsequent instructions in the pipeline continue execution assuming the branch will not be taken.
- If the branch condition evaluates to true, a branch misprediction occurs.
- Branch mispredictions require flushing the pipeline and fetching the correct target address, introducing pipeline stalls.
- Delay branch reduces the impact of branch mispredictions by allowing the pipeline to continue execution until the branch condition is resolved.
- It improves pipeline efficiency by minimizing idle cycles caused by branches.
- Branch mispredictions still incur a penalty when the correct target address is fetched and executed.
What is interrupt? Describe interrupt cycle with neat diagram.
An interrupt is a signal generated by a hardware device, software, or an external event that temporarily suspends the execution of the current program and transfers control to a specific interrupt handler routine.
Interrupts are used to handle time-sensitive or priority-based events that require immediate attention in a computer system. Here's a description of the interrupt cycle with a neat diagram:

- Computer Setup: - The computer is equipped with an interrupt input line (INT).
- During normal operation, the computer goes through the regular instruction cycle.
- Execution Phase:
- During the execution phase of the instruction cycle, the control unit checks the interrupt enable (IEN) flag.
- If IEN is set to 0, it indicates that the programmer does not want to use interrupts, and the control proceeds to the next instruction cycle.
- Flag Check:
- If IEN is set to 1, indicating that interrupts are enabled, the control unit checks the status of the flag bits.
- If both flags are set to 0, it means that neither the input nor the output registers are ready for data transfer.
- In this case, the control proceeds to the next instruction cycle without entering the interrupt cycle.
- However, if either flag is set to 1 while IEN is 1, indicating that an input or output operation is ready, a flip-flop called R is set to 1.
- Interrupt Cycle:
- At the end of the execution phase, the control unit checks the value of R.
- If R is equal to 1, it indicates that an interrupt request has been triggered, and the control enters the interrupt cycle instead of the regular instruction cycle.
What is the role of sequence counter(SC) in control unit? Interpret its concept with the help of its three inputs using diagram.
- The sequence counter (SC) is a vital component of the control unit in a computer system. It plays a crucial role in coordinating and controlling the execution of instructions. The SC is responsible for keeping track of the current instruction being executed and generating the necessary control signals to execute the instructions in the correct sequence.


The SC receives three inputs that help determine the next instruction to be executed:
-
Instruction Register (IR): The IR holds the currently fetched instruction. It provides the necessary information about the type and operation of the instruction.
-
Control Memory (CM): The CM stores microinstructions, which are the control signals that dictate the execution of each instruction. It acts as a lookup table for the SC to fetch the appropriate microinstruction.
-
Next Address Field (NAF): The NAF provides the address of the next microinstruction to be fetched from the CM. It determines the flow of control within the control unit.
- The IR provides the current instruction to the control unit.
- The control unit fetches the corresponding microinstruction from the CM based on the instruction received from the IR.
- The NAF provides the address of the next microinstruction to be fetched from the CM.
- The control unit updates its internal counter to point to the next microinstruction address specified by the NAF.
- The control unit generates the necessary control signals based on the fetched microinstruction.
- These control signals are then used to coordinate the execution of the current instruction in the control unit.
- The process continues, allowing the control unit to properly control the execution of instructions in the correct sequence.
What is the significance of pipelining in computer architecture? Write a note on instruction pipeline.
- The significance of pipelining in computer architecture is profound. It is a technique that improves the efficiency and performance of processors by allowing multiple instructions to be executed concurrently, overlapping different stages of instruction processing. Here are some key significances of pipelining:
- Increased Instruction Throughput:
- Improved Performance:
- Better Resource Utilization:
- Enhanced Instruction-Level Parallelism:
- Reduction in Pipeline Hazards:
- Scalability:
- Compatibility with Instruction Sets:
Overall, pipelining plays a crucial role in modern computer architecture by improving performance, enabling parallelism, enhancing resource utilization, and facilitating the efficient execution of instructions. It has become a fundamental technique in processor design, enabling faster and more efficient computing across a wide range of applications and industries.
Elaborate 4-segment instruction pipeline with neat sketches.


- The 4-segment instruction pipeline is a technique used in computer architectures to enhance instruction execution efficiency. It divides the instruction execution process into four distinct stages or segments, each handling a specific task. Here is an elaboration of the four segments of the pipeline:
- Instruction Fetch (IF):
- In the IF stage, the processor fetches the next instruction from memory.
- The program counter (PC) is used to determine the address of the next instruction to fetch.
- The fetched instruction is stored in an instruction register (IR) for further processing.
- Instruction Decode (ID):
- In the ID stage, the fetched instruction is decoded to determine the operation and operands.
- The instruction is examined to identify the instruction type, addressing mode, and register usage.
- Operand values may be fetched from registers or memory, depending on the instruction requirements.
- Control signals are generated based on the instruction type to guide subsequent stages.
- Execute (EX):
- In the EX stage, the actual execution of the instruction takes place.
- Arithmetic or logical operations are performed on the operands fetched in the ID stage.
- Memory operations such as reading or writing data may also occur in this stage.
- The ALU (Arithmetic Logic Unit) performs the necessary calculations or data manipulations.
- Write Back (WB):
- In the WB stage, the results of the instruction execution are written back to registers or memory.
- The final computed value is stored back in the destination register or written to the specified memory location.
- The flags or status bits may also be updated based on the instruction's outcome.
Advantages of the 4-segment instruction pipeline:
- Increased throughput: The pipeline allows multiple instructions to be processed simultaneously, improving overall throughput.
- Efficient resource utilization: Different segments can operate concurrently, utilizing various hardware units simultaneously.
- Overlapping of instructions: While one instruction is being executed, the subsequent instruction can be fetched, decoded, and prepared for execution.
- Reduced instruction latency: Each stage performs a specific task, enabling faster execution of subsequent instructions.
- Improved performance: Pipelining enables a higher instruction execution rate, resulting in improved system performance.
What is virtual memory? Explain relation between address space and memory space in virtual memory system.
In a virtual memory system, the address space and memory space are closely related concepts. Here is an explanation of the relation between address space and memory space:
Address Space: Address space refers to the range of addresses that a process or program can use to access memory. It represents the virtual view of memory seen by a process. Each process has its own address space, which is divided into multiple regions or segments, such as code segment, data segment, stack segment, and heap segment. The size of the address space determines the maximum amount of memory that a process can access.
Memory Space: Memory space, on the other hand, refers to the physical memory available in the system. It represents the actual physical storage where data and instructions are stored. Memory space is finite and limited by the amount of physical memory installed in the computer.
Relation between Address Space and Memory Space:
In a virtual memory system, the relation between address space and memory space is mediated by the memory management unit (MMU) and the concept of virtual memory. The MMU translates virtual addresses used by a process into physical addresses in the memory space.
-
Virtual Addresses: The address space of a process consists of virtual addresses. These addresses are used by the process to access memory. The virtual addresses are divided into fixed-size units called pages.
-
Physical Addresses: The memory space consists of physical addresses. These addresses represent the actual locations in physical memory where data and instructions are stored.
-
Address Translation: When a process accesses a virtual address, the MMU performs address translation. It maps the virtual address to a corresponding physical address in memory. This translation is typically done using a page table, which maintains the mapping between virtual pages and physical pages.
-
Page Faults: In cases where the required data or instruction is not present in physical memory, a page fault occurs. It indicates that the requested page is not currently in memory and needs to be fetched from secondary storage (such as the hard disk). The page fault handler handles this situation by swapping pages in and out of memory as needed.
-
Dynamic Mapping: The mapping between virtual addresses and physical addresses is dynamic and can change over time. The operating system manages this mapping, allowing processes to have a larger address space than the available physical memory. This enables efficient utilization of memory resources and the illusion of a larger memory space for each process.
Write a short note on associative memory.
- Associative memory, also known as content-addressable memory (CAM), is a type of computer memory that enables rapid search and retrieval of data based on its content rather than its specific address. It offers a more efficient and parallel approach to data access compared to traditional memory architectures. Here's a short note on associative memory:

Draw neat and clean flowchart for divide operation. Explain with example.

- Initialize:
- Set up the initial values for the dividend (A), quotient (Q), and divisor (B).
- Sign Extension:
- Transfer the sign of the result to Q, so it becomes a part of the quotient.
- Set Sequence Counter (SC):
- Set SC to specify the number of bits in the quotient.
- Divide-Overflow Check:
- Compare A and B to check if there is a divide-overflow condition. If A ≥ B, set the divide-overflow flag (DVF) and terminate the operation. Otherwise, proceed to the next step.
- Restore Dividend:
- If no divide-overflow condition occurs, restore the value of the dividend by adding B to A.
- Perform Division:
- Start the division process by shifting the dividend in AQ to the left, with the high-order bit shifted into E.
- Check Shifted Bit:
- If the shifted bit in E is equal to 1, indicating EA > B, subtract B from EA and set the corresponding quotient bit to 1.
- Check Shifted Bit (Alternative):
- If the shifted bit in E is equal to 0, indicating EA < B, add the 2's complement of B to EA and set the corresponding quotient bit to 0.
- Check Carry:
- If a carry is generated during the addition/subtraction in step 8, set Q to 1, indicating that A ≥ B.
- No Carry:
- If no carry is generated in step 8, set Q to 0, indicating that A < B.
- Repeat Process:
- Repeat the above steps with A containing the partial remainder until the division process is completed.
Note:
- The flowchart represents the detailed steps involved in performing division using the given algorithm. Each step corresponds to specific operations and conditions that need to be checked during the division process.
List out modes of transfer. Formulate direct memory access technique in detail.
Which are the different ways to transfer data to and from peripheral devices? Explain any one of them in detail.
Here's a list of the different ways to transfer data to and from peripheral devices:
- Programmed I/O (PIO)
- Interrupt-driven I/O
- Direct Memory Access (DMA)
- Memory-mapped I/O
- I/O Channels
These methods provide various ways to facilitate data transfer between the CPU, memory, and peripheral devices, each with its own advantages and considerations.

-
Direct Memory Access (DMA) is a technique that allows peripheral devices to transfer data directly to and from memory without involving the CPU.
-
DMA improves data transfer efficiency by offloading the CPU from managing the entire process.
-
A DMA controller coordinates the data transfer between the peripheral device and memory.
-
DMA operates in different modes: single transfer, block transfer, and demand transfer.
-
The CPU is not directly involved in DMA transfers once initiated.
-
Advantages of DMA include reduced CPU overhead, faster data transfer, and efficient resource utilization.
-
DMA requires dedicated hardware support, such as a DMA controller.
-
DMA is commonly used in multimedia, disk I/O, and network applications.
-
DMA enhances system performance by enabling fast and efficient data transfer between peripheral devices and memory.
Define: microinstruction; Identify different types of 16 bits instruction formats for basic computer using figure.
Microoperation:
- A microinstruction is a fundamental unit of control in a microprogrammed control unit.
- It represents a specific control action or sequence of actions that need to be executed by the control unit to perform a particular operation or control a hardware component.
- Microinstructions are stored in a control memory and contain the control signals and information required to execute machine instructions.
Different types of 16-bit instruction formats commonly used in basic computers:

Single-Operand Instructions:
- Format: [Opcode] [Address]
- These instructions operate on a single operand, which is specified by the address field.
- Example: LOAD [Address]
Register-Register Instructions:
- Format: [Opcode] [Register 1] [Register 2]
- These instructions perform operations on two registers.
- Example: ADD R1, R2
Register-Immediate Instructions:
- Format: [Opcode] [Register] [Immediate Value]
- These instructions perform operations using a register and an immediate value.
- Example: ADDI R1, 5
Memory-Reference Instructions:
- Format: [Opcode] [Register] [Address]
- These instructions perform operations on memory using a register and an address.
- Example: STORE R1, [Address]
Branch Instructions:
- Format: [Opcode] [Address]
- These instructions control program flow by changing the instruction address based on a condition or unconditional branching.
- Example: BRANCH [Address]
What is cache memory? Interpret direct addressing mapping with diagram.
Cache memory:
-
Cache memory is a small, fast, and expensive type of memory that is located closer to the CPU (Central Processing Unit) than the main memory.
-
It stores frequently accessed data to speed up the CPU's data retrieval.
-
By storing data closer to the CPU, cache memory reduces the time needed to access data from the main memory.
-
direct addressing mapping refers to a mapping technique used in cache memory management. It involves the direct mapping of main memory addresses to specific cache locations. Here is an interpretation of direct addressing mapping with a diagram:

Explanation:
- The main memory consists of memory addresses, represented by binary values.
- In direct addressing mapping, the cache is divided into blocks, each corresponding to a specific range of memory addresses.
- The memory addresses are mapped directly to cache block addresses based on the least significant bits of the memory address.
- For example, in a system with a 4-bit memory address and 8 cache blocks, the least significant 3 bits of the memory address determine the cache block address.
- When a memory address is accessed, the cache controller checks if the corresponding cache block is present in the cache.
- If the cache block is found (cache hit), the data associated with that memory address is retrieved from the cache, resulting in faster access.
- If the cache block is not present (cache miss), the data is fetched from the main memory and stored in the cache for future access.
- Direct addressing mapping provides a simple and deterministic mapping scheme, but it may lead to cache conflicts when multiple memory addresses map to the same cache block.
- Cache replacement policies, such as LRU (Least Recently Used), are employed to determine which cache block to replace when the cache is full and a new block needs to be brought in.
Write an assembly language program to find the Fibonacci series up to the given number.
ORG 1000H ; Start the program at address 1000H
LXI H, 0600H ; Initialize HL register pair with memory address 0600H
MVI C, 10H ; Initialize C register with the number of terms to generate (10 terms in this example)
MOV A, 00H ; Initialize A register with 0 (for the first term)
MOV B, 01H ; Initialize B register with 1 (for the second term)
MOV M, A ; Store the first term (0) at the memory location pointed by HL
INX H ; Increment HL to point to the next memory location
MOV M, B ; Store the second term (1) at the memory location pointed by HL
INX H ; Increment HL to point to the next memory location
LOOP:
ADD A ; Add the value in A to B to calculate the next term
MOV C, A ; Move the value in A to C (to preserve the value for swapping)
MOV A, B ; Move the value in B to A
MOV B, C ; Move the value in C (stored earlier in A) to B
MOV M, A ; Store the next term at the memory location pointed by HL
INX H ; Increment HL to point to the next memory location
DCR C ; Decrement the count in the C register
JNZ LOOP ; If the count is not zero, jump back to the LOOP label
HLT ; Halt the program
END ; End of the program
Write an assembly language program to find average of 15 numbers stored at consecutive location in memory.
ORG 1000H ; Start the program at address 1000H
LXI H, 0600H ; Initialize HL register pair with memory address 0600H
MVI C, 0FH ; Initialize C register with the count of numbers (15)
MOV B, 00H ; Initialize B register with 0 (for sum)
MOV D, 00H ; Initialize D register with 0 (for average)
LOOP:
MOV A, M ; Move the number from memory location pointed by HL to the accumulator
ADD B ; Add the number to the sum in the B register
INX H ; Increment HL to point to the next memory location
DCR C ; Decrement the count in the C register
JNZ LOOP ; If the count is not zero, jump back to the LOOP label
MOV A, B ; Move the sum from the B register to the accumulator
MOV D, A ; Move the sum to the D register (to preserve the value for division)
MOV A, D ; Move the sum from the D register to the accumulator
XRA A ; Clear the accumulator
MOV B, C ; Move the count from the C register to the B register
DIV B ; Divide the sum by the count to calculate the average
MOV B, A ; Move the quotient (average) to the B register
STA 0700H ; Store the average at memory location 0700H
HLT ; Halt the program
END ; End of the program
Write a program to evaluate the arithmetic statement: AB+CD+E i. Using an accumulator type computer. ii. Using a stack organized computer.
Using an accumulator-based computer:
ORG 1000H ; Start the program at address 1000H
LXI H, 0600H ; Initialize HL register pair with memory address 0600H
MOV A, M ; Move the value of A to the accumulator
ADD B ; Add the value of B to the accumulator
MOV B, A ; Move the result to B
INX H ; Increment HL to point to the next memory location
MOV A, M ; Move the value of C to the accumulator
ADD D ; Add the value of D to the accumulator
ADD E ; Add the value of E to the accumulator
MOV C, A ; Move the result to C
MOV A, B ; Move the value of B to the accumulator
ADD C ; Add the value of C to the accumulator
STA 0700H ; Store the result at memory location 0700H
HLT ; Halt the program
END ; End of the program
Using a stack-based computer:
ORG 1000H ; Start the program at address 1000H
LXI H, 0600H ; Initialize HL register pair with memory address 0600H
MOV A, M ; Move the value of A to the accumulator
PUSH B ; Push the value of B onto the stack
INX H ; Increment HL to point to the next memory location
MOV A, M ; Move the value of C to the accumulator
PUSH D ; Push the value of D onto the stack
INX H ; Increment HL to point to the next memory location
MOV A, M ; Move the value of E to the accumulator
PUSH PSW ; Push the value of the accumulator onto the stack
POP B ; Pop the value of the accumulator from the stack to B
ADD B ; Add the value of B to the accumulator
POP D ; Pop the value of the accumulator from the stack to D
ADD D ; Add the value of D to the accumulator
POP PSW ; Pop the value of the accumulator from the stack
ADD A ; Add the value of the accumulator to A
STA 0700H ; Store the result at memory location 0700H
HLT ; Halt the program
END ; End of the program
Write assembly language program to multiply two numbers.
ORG 1000H ; Start the program at address 1000H
LXI H, 0600H ; Initialize HL register pair with memory address 0600H
MOV A, M ; Move the first number to the accumulator
MOV B, A ; Copy the first number to the B register
INX H ; Increment HL to point to the second number
MOV A, M ; Move the second number to the accumulator
MOV C, A ; Copy the second number to the C register
MVI E, 00H ; Initialize E register with 0 (lower byte of the result)
MVI D, 00H ; Initialize D register with 0 (higher byte of the result)
LOOP:
ADD E ; Add the lower byte of the result to the accumulator
MOV E, A ; Move the result from the accumulator to the E register
MOV A, B ; Move the first number from the B register to the accumulator
ADD C ; Add the second number from the C register to the accumulator
MOV B, A ; Move the updated accumulator value back to the B register
DCR C ; Decrement the C register
JNZ LOOP ; If the C register is not zero, jump back to the LOOP label
MOV A, E ; Move the lower byte of the result from the E register to the accumulator
STA 0700H ; Store the lower byte of the result at memory location 0700H
INR H ; Increment HL to point to the next memory location
MOV A, D ; Move the higher byte of the result from the D register to the accumulator
STA 0701H ; Store the higher byte of the result at memory location 0701H
HLT ; Halt the program
END ; End of the program
Write an assembly language program to find whether the given number is prime or not.
ORG 1000H ; Start the program at address 1000H
MVI C, 02H ; Initialize C register with 2 (first divisor)
LXI H, 0600H ; Initialize HL register pair with memory address 0600H
MOV A, M ; Move the number to check from memory location 0600H to the accumulator
MOV B, A ; Copy the number to the B register for comparison
LOOP:
MOV A, B ; Move the number from the B register to the accumulator
MOV E, A ; Copy the number from the accumulator to the E register for division
DIV C ; Divide the number in the accumulator by the divisor in the C register
CPI 00H ; Compare the quotient with 0
JZ PRIME ; If the quotient is 0, jump to the PRIME label
INR C ; Increment the divisor in the C register
CPI 0AH ; Compare the divisor with 10
JZ NOTPRIME ; If the divisor is 10, jump to the NOTPRIME label
JMP LOOP ; Jump back to the LOOP label to continue checking with the next divisor
PRIME:
MVI A, 01H ; Move 01H to the accumulator (indicating prime)
STA 0700H ; Store the result (01H) at memory location 0700H
HLT ; Halt the program
NOTPRIME:
MVI A, 00H ; Move 00H to the accumulator (indicating not prime)
STA 0700H ; Store the result (00H) at memory location 0700H
HLT ; Halt the program
END ; End of the program
Write an assembly language program to find factorial of the given number.
ORG 1000H ; Start the program at address 1000H
LXI H, 0500H ; Initialize HL register pair with memory address 0500H
MVI B, 00H ; Initialize B register with 0
LOOP:
DCR C ; Decrement C register
JZ DISPLAY ; If C = 0, jump to the DISPLAY label
MOV A, C ; Move value of C to the accumulator
ANI 0FH ; Perform a logical AND operation with 0FH to keep only the lower 4 bits
JZ LOOP ; If the lower 4 bits are 0, jump back to the LOOP label
MOV A, B ; Move value of B to the accumulator
ORA A ; Perform a logical OR operation with the accumulator
JZ LOOP ; If the accumulator is 0, jump back to the LOOP label
DAD H ; Add HL to the accumulator
DCR C ; Decrement C register
JC LOOP ; If the carry flag is set, jump back to the LOOP label
JMP LOOP ; Jump back to the LOOP label
DISPLAY:
LXI D, 0600H ; Initialize DE register pair with memory address 0600H
MOV B, M ; Move the value at memory location 0500H to B register
MOV A, B ; Move the value in B to the accumulator
RRC ; Rotate the accumulator right to get the result in the correct format
ADD A, 30H ; Convert the result to ASCII character
STA 0600H ; Store the ASCII result in memory location 0600H
HLT ; Halt the program
END ; End of the program